- Partiron
- OEM Parts
- Kawasaki
- side-x-side
- 2025
- MULE PRO-FXT 1000 LE Ranch Edition
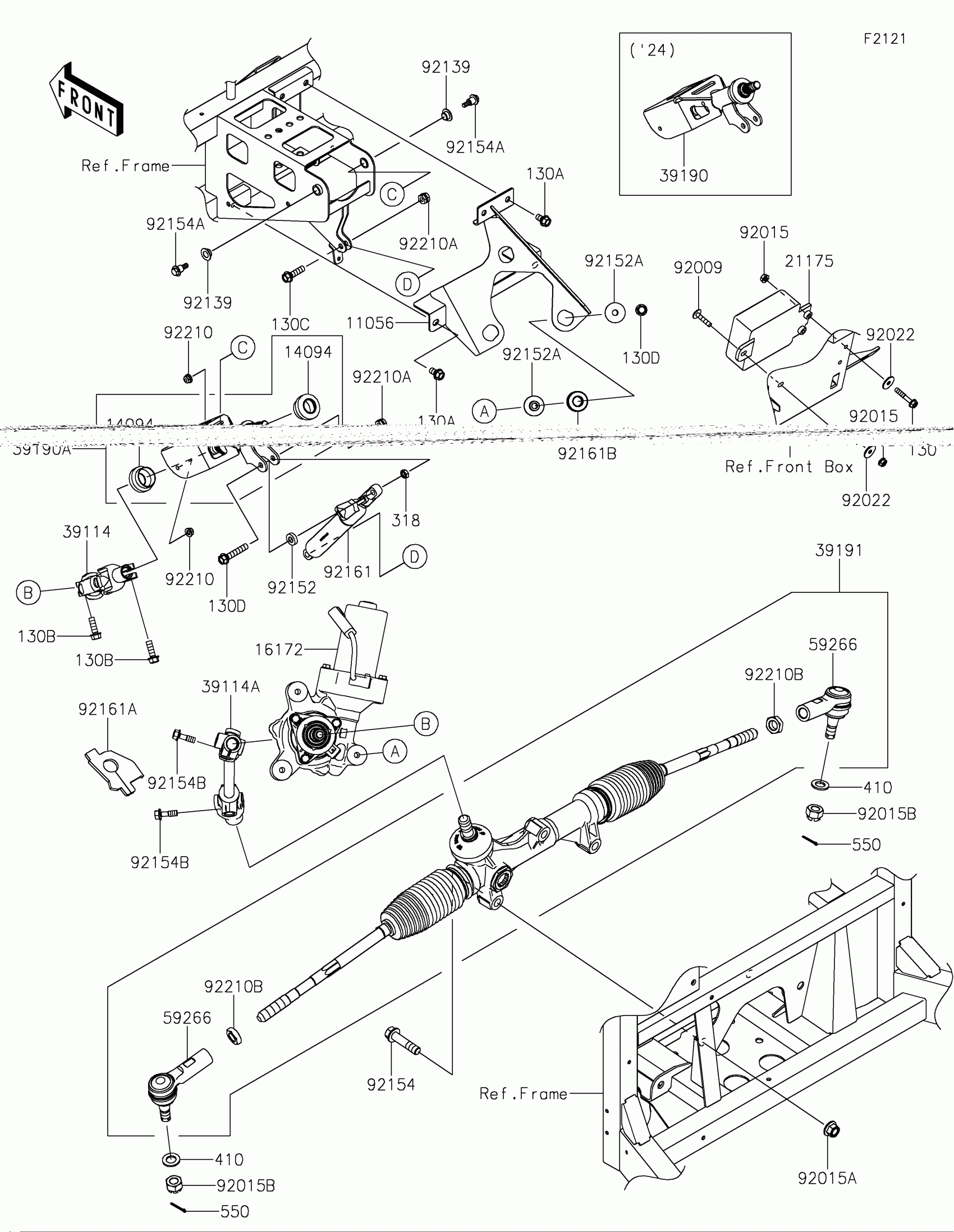
Steering Shaft
Kawasaki MULE PRO-FXT 1000 LE Ranch Edition Steering Shaft Diagram
#
Description
Price
Steering Shaft
#
Edit ride
