Partiron

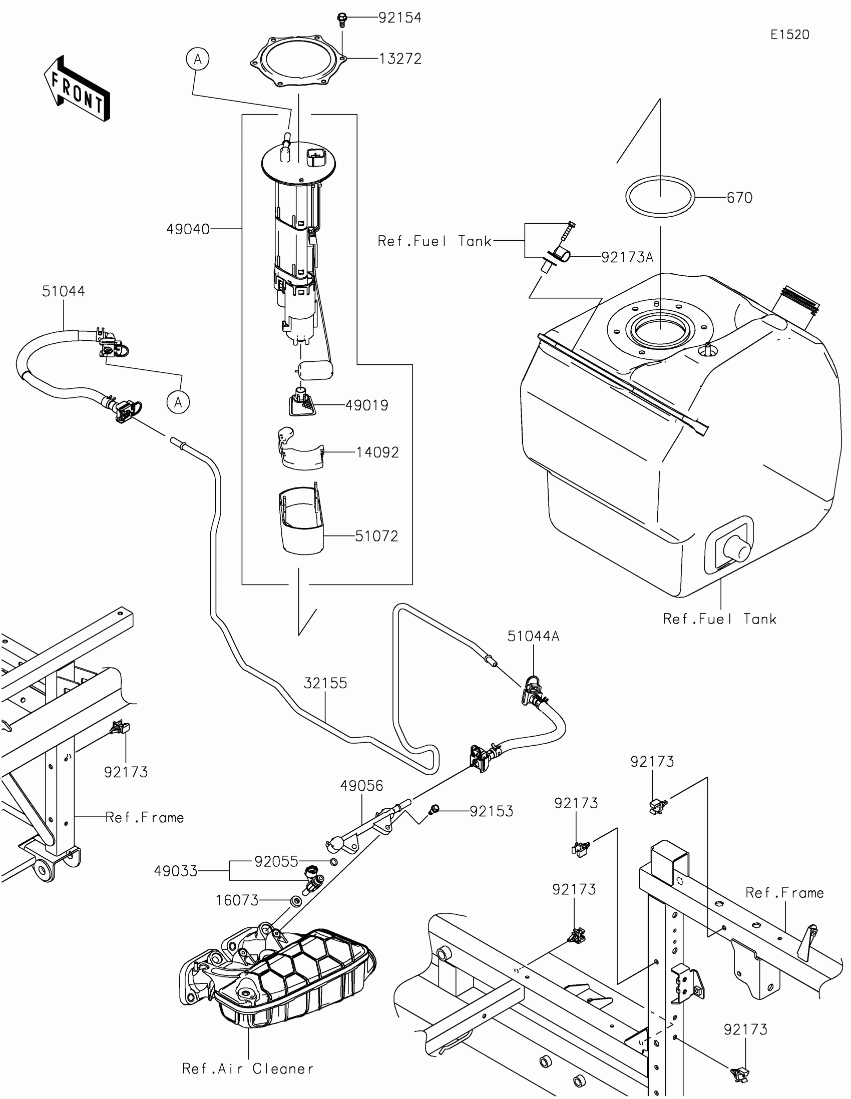
Kawasaki MULE PRO-FXT™ 1000 LE Fuel Pump Diagram

#

Description
Price

13272

PLATE

13272-2500

$6.56

14092

COVER

14092-1044

$30.60

16073

INSULATOR

16073-0129

$6.00

32155

PIPE,FUEL

32155-7380

$72.08

49019

FILTER-FUEL

49019-0013

$16.56

49033

NOZZLE-INJECTION

49033-0040

$135.41

49040

PUMP-FUEL

49040-0832

$824.04

49056

PIPE-INJECTION

49056-0566

$43.22

51044

TUBE-ASSY,TANK-PIPE

51044-1260

$202.20

51044A

TUBE-ASSY,PIPE-ENGINE

51044-1261

$158.53

51072

CHAMBER-FUEL

51072-0003

$46.00

92055

RING-O,INJECTION NOZZLE

92055-0937

$9.93

92153

BOLT,FLANGED,5MM

92153-0361

$4.18

92154

BOLT,FUEL PUMP

92154-1326

$0.95

92173

CLAMP,FUEL PIPE

92173-1213

$1.48

92173A

CLAMP

92173-2551

$3.20

670

O RING

670E5090

$30.75