Partiron

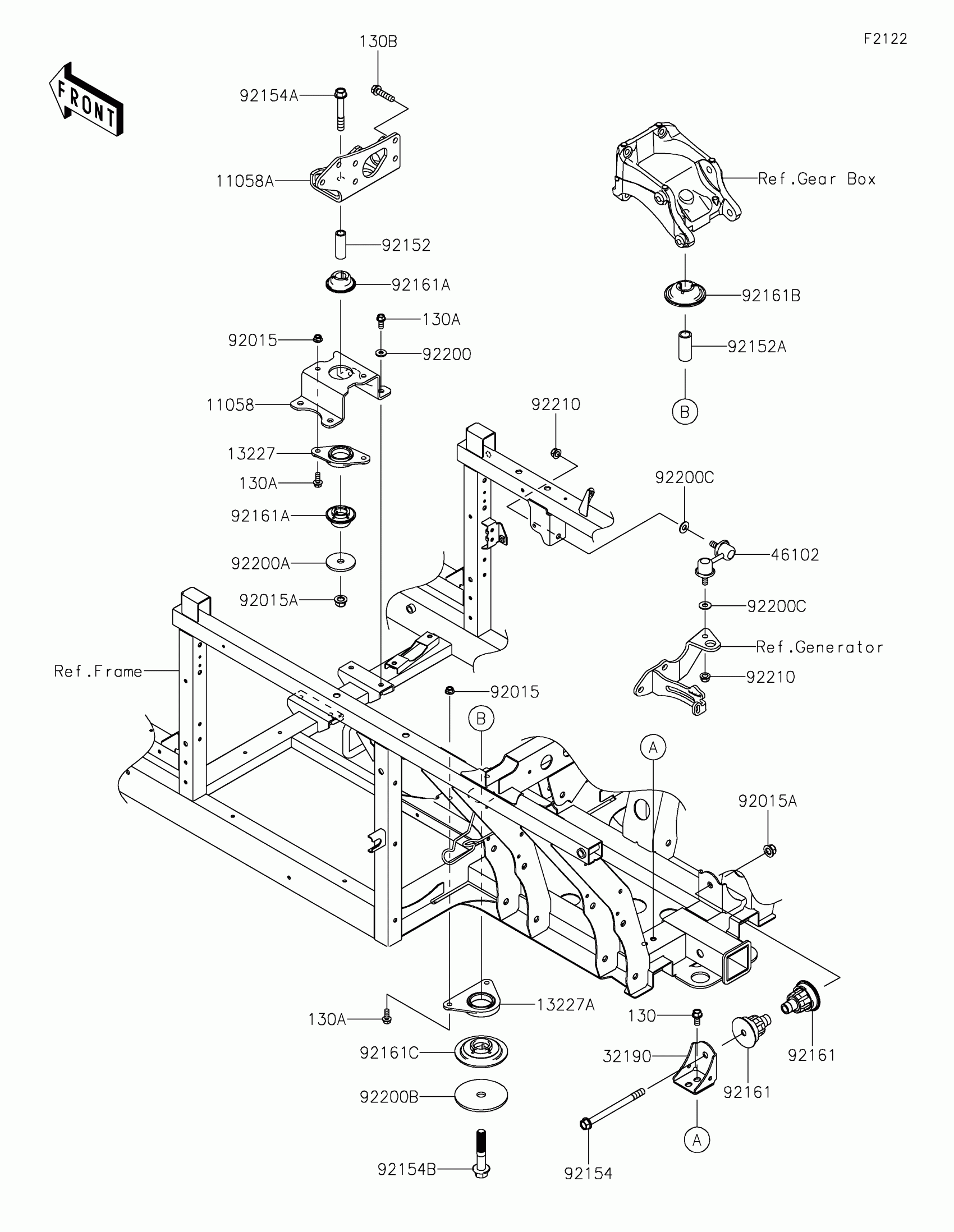
Kawasaki MULE PRO-FXT™ 1000 LE Engine Mount Diagram

#

Description
Price

11058

BRACKET

11058-0374

$14.44

11058A

BRACKET

11058-0375

$58.36

13227

HOUSING

13227-0031

$29.55

13227A

HOUSING

13227-0032

$33.89

32190

BRACKET-ENGINE

32190-0662

$18.28

46102

ROD,STABILIZER,LH

46102-0100

$48.58

92015

NUT,LOCK,FLANGED,8MM

92015-1397

$4.31

92015A

NUT,LOCK,FLANGED,12MM

92015-1433

$8.86

92152

COLLAR,13X19.1X54

92152-1802

$10.21

92152A

COLLAR,17X23.8X54.5

92152-2127

$12.56

92154

BOLT,FLANGED,12X150

92154-1322

$13.85

92154A

BOLT,FLANGED,12X80

92154-1419

$7.35

92154B

BOLT,FLANGED,16X86

92154-1763

$19.45

92161

DAMPER

92161-1616

$35.45

92161A

DAMPER

92161-1617

$21.97

92161B

DAMPER

92161-1618

$34.98

92161C

DAMPER

92161-1619

$56.42

92200

WASHER,8.2X20.0X2.5

92200-0205

$3.35

92200A

WASHER,12.5X55X4.76

92200-0913

$3.62

92200B

WASHER,16.5X100X4.76

92200-1747

$7.09

92200C

WASHER,10.3X23X1.6

92200-2009

$1.35

92210

NUT,LOCK,FLANGED,10MM

92210-0276

$2.61

130

BOLT-FLANGED,10X20

130BA1020

$3.35

130A

BOLT-FLANGED,8X20

130CA0820

$1.71

130B

BOLT-FLANGED,10X40

130CA1040

$2.83