- Partiron
- OEM Parts
- Kawasaki
- side-x-side
- 2026
- MULE PRO-FXT™ 1000 LE
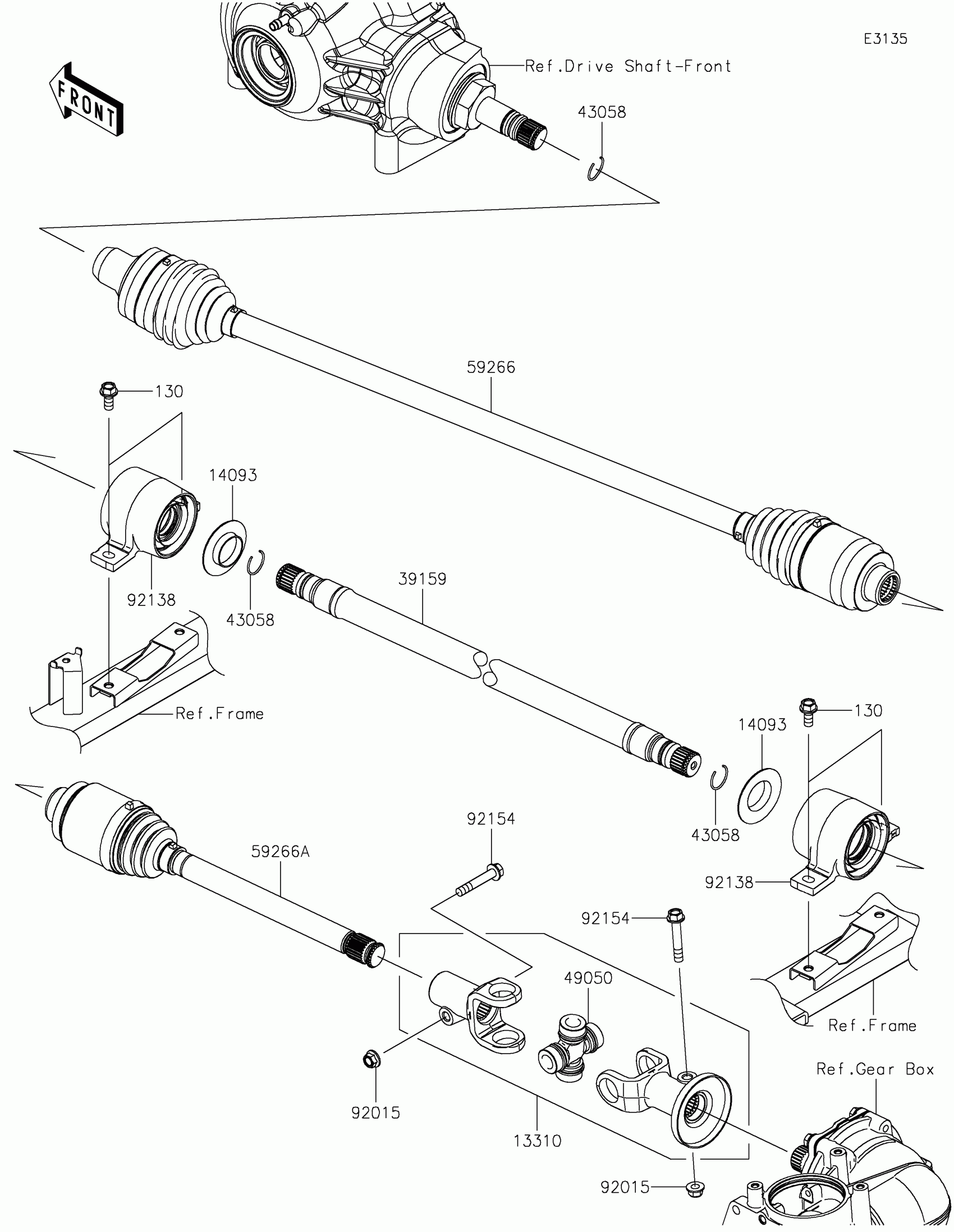
Drive Shaft-Propeller
Kawasaki MULE PRO-FXT™ 1000 LE Drive Shaft-Propeller Diagram
#
Description
Price
Drive Shaft-Propeller
#
Edit ride
