Partiron

Kawasaki MULE PRO-FXR™ 1000 LE Steering Shaft Diagram

#

Description
Price

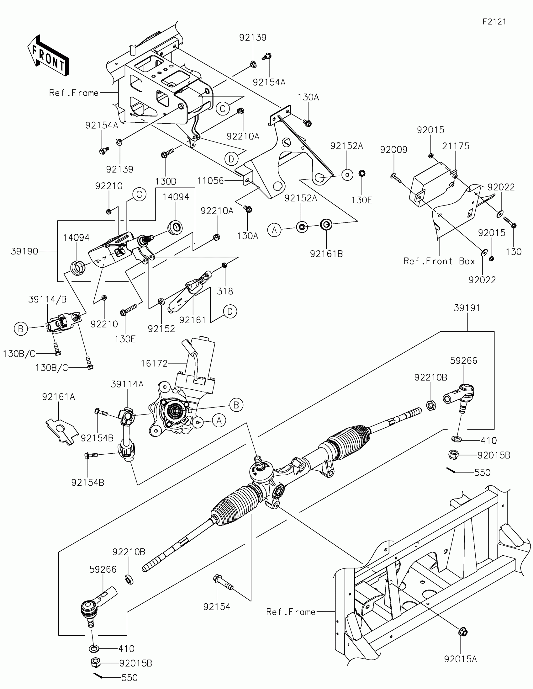
11056

BRACKET

11056-2838

$60.98

14094

COVER,STEERING SHAFT

14094-0322

$6.52

16172

ACTUATOR,EPS

16172-0557

$1,812.19

21175

CONTROL UNIT-ELECTRONIC,EPS

21175-0969

$861.42

39114A

SHAFT-COMP-STRG

39114-0045

$158.69

39114B

SHAFT-COMP-STRG,UPP

39114-0048

$83.71

39190

SHAFT-ASSY-STEERING

39190-0022

$231.78

39191

GEAR-ASSY-STEERING

39191-0039

$1,063.37

59266

JOINT-BALL

59266-0771

$86.80

92009

SCREW,6X28,BLACK

92009-1400

$5.52

92015

NUT,FLANGED,6MM

92015-1367

$3.69

92015A

NUT,LOCK,FLANGED,12MM

92015-1433

$8.86

92015B

NUT,CASTLE,14MM

92015-1841

$8.38

92022

WASHER,6.5X22X1.6

92022-237

$3.92

92139

BUSHING

92139-0230

$4.61

92152

COLLAR,8.2X18X5

92152-1848

$5.69

92152A

COLLAR,8.5X30X10.6

92152-2149

$5.04

92154

BOLT,FLANGED,12X50

92154-1008

$7.85

92154A

BOLT,6X21.5

92154-1320

$2.49

92154B

BOLT

92154-4224

$3.97

92161

DAMPER,GAS SPRING

92161-1825

$51.50

92161A

DAMPER

92161-2492

$2.72

92161B

DAMPER,ACTUATOR

92161-7517

$3.35

92210

NUT,LOCK,FLANGED,6MM

92210-0303

$1.34

92210A

NUT,HARD LOCK,8MM

92210-0934

$4.92

92210B

NUT

92210-1933

$16.39

130

BOLT-FLANGED,6X35

130BA0635

$0.94

130A

BOLT-FLANGED,8X14

130BA0814

$2.16

130C

BOLT-FLANGED,8X25

130CA0825

$1.46

130D

BOLT-FLANGED,8X30

130CA0830

$1.08

130E

BOLT-FLANGED,8X45

130CA0845

$1.22

318

NUT-HEX-SMALL,8MM

318BA0800

$1.34

410

WASHER-PLAIN-SMALL,14MM

410AA1400

$2.15

550

PIN-COTTER,3.0X25

550AA3025

$0.62