Partiron

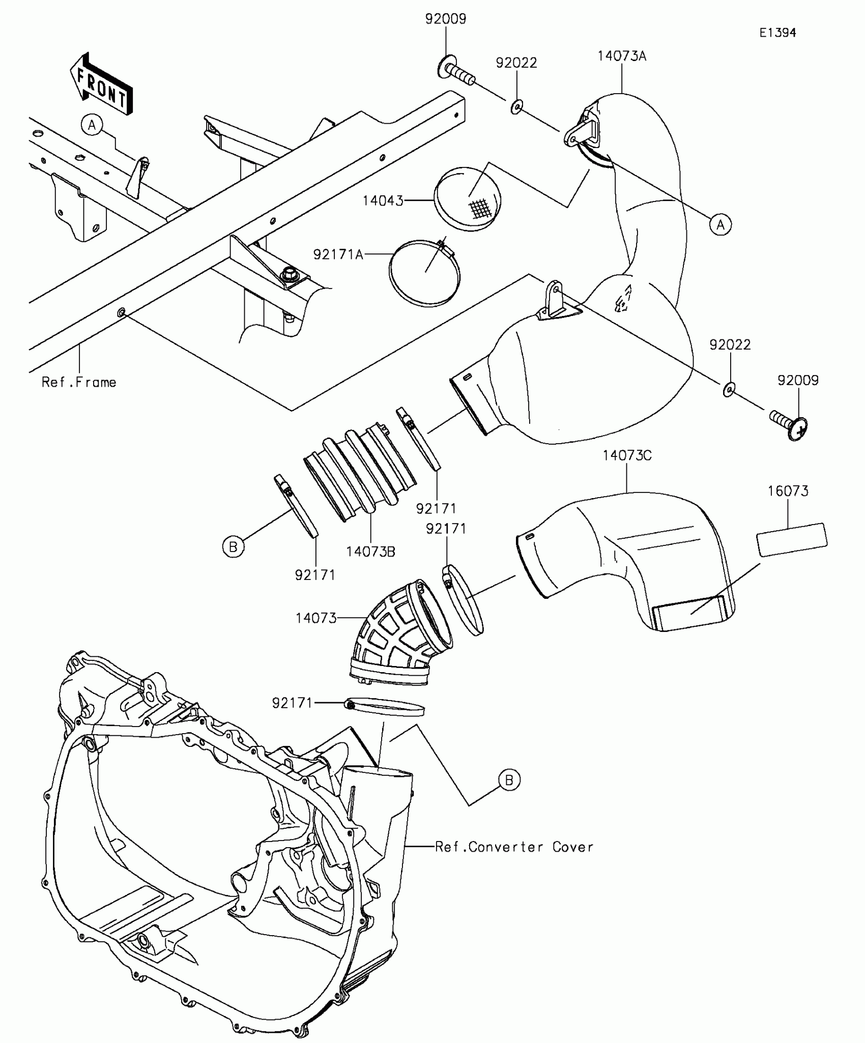
Kawasaki MULE PRO-FX™ EPS LE Air Cleaner-Belt Converter Diagram

#

Description
Price

14043

FILTER

14043-0013

$29.76

14073

DUCT,EXHAUST

14073-0788

$26.47

14073A

DUCT,INTAKE

14073-0789

$57.61

14073B

DUCT,INTAKE

14073-0790

$20.08

14073C

DUCT,EXHAUST

14073-0793

$31.00

16073

INSULATOR

16073-0826

$5.48

92009

SCREW,6X22

92009-1441

$4.31

92022

WASHER,PLAIN,6.5X20X1

92022-165

$3.74

92171

CLAMP

92171-1383

$4.40

92171A

CLAMP

92171-3716

$10.24