Partiron

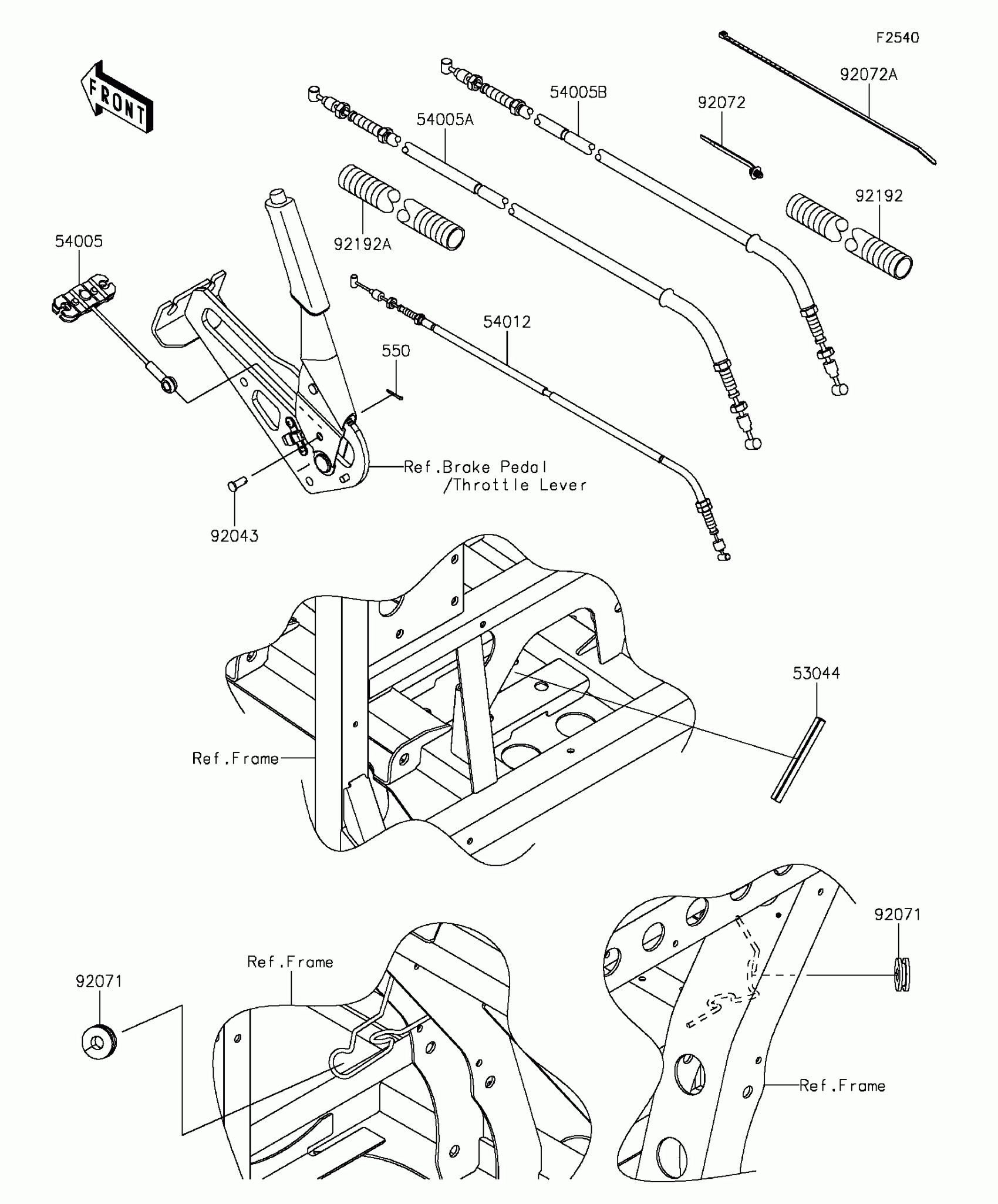
Kawasaki MULE PRO-FX™ EPS Cables Diagram

#

Description
Price

53044

TRIM,L=111

53044-7502

$7.68

54005

CABLE-BRAKE,PARKING,FR

54005-0035

$21.31

54005A

CABLE-BRAKE,PARKING,LH

54005-0036

$112.57

54005B

CABLE-BRAKE,PARKING,RH

54005-0037

$110.16

54012

CABLE-THROTTLE

54012-0610

$64.64

550

PIN-COTTER,2.5X18

550AA2518

$0.59

92043

PIN

92043-1039

$9.91

92071

GROMMET

92071-0029

$1.69

92072

BAND,OS170-FT7(BLACK)

92072-1414

$3.74

92072A

BAND,L=292.1

92072-3509

Unavailable

92192

TUBE,CONVOLUTED,25.1X30X260

92192-1363

$3.79

92192A

TUBE,CONVOLUTED,25.1X30X210

92192-1391

$3.64