- Partiron
- OEM Parts
- Kawasaki
- side-x-side
- 2026
- MULE PRO-FX™ 1000 HD EDITION
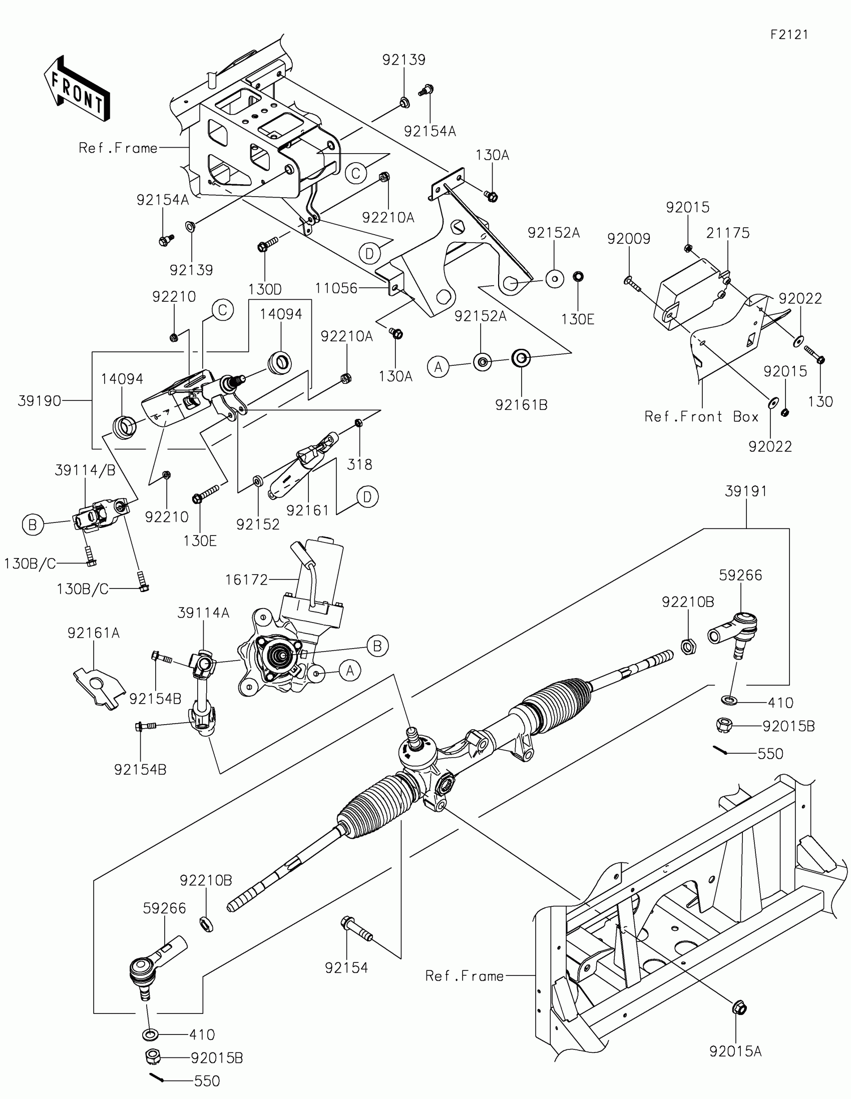
Steering Shaft
Kawasaki MULE PRO-FX™ 1000 HD EDITION Steering Shaft Diagram
#
Description
Price
Steering Shaft
#
Edit ride
