- Partiron
- OEM Parts
- Kawasaki
- side-x-side
- 2026
- MULE PRO-FX™ 1000 HD EDITION
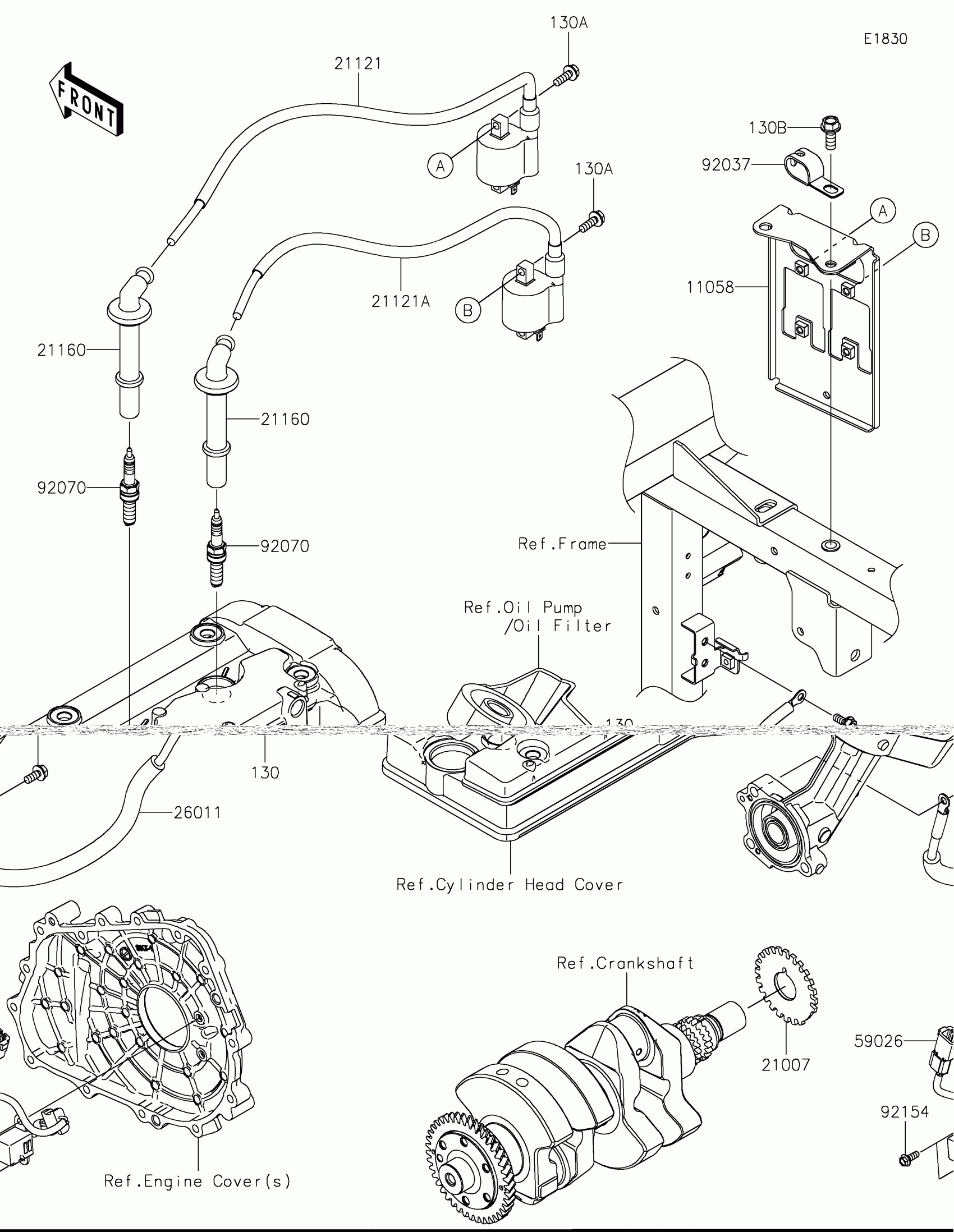
Ignition System
Kawasaki MULE PRO-FX™ 1000 HD EDITION Ignition System Diagram
#
Description
Price
Ignition System
#
Edit ride
