- Partiron
- OEM Parts
- Kawasaki
- side-x-side
- 2016
- MULE PRO-DXT™ EPS LE DIESEL
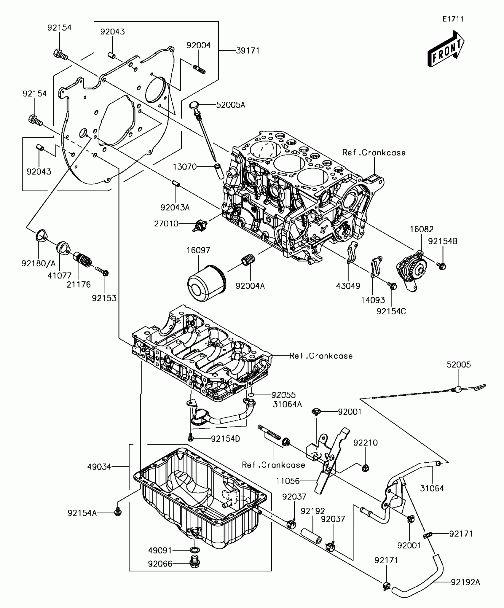
Oil Pan/Oil Filter
Kawasaki MULE PRO-DXT™ EPS LE DIESEL Oil Pan/Oil Filter Diagram
#
Description
Price
92180
SHIM,T=1.0
92180-0968
Unavailable
92180A
SHIM,T=0.5
92180-0969
Unavailable
