- Partiron
- OEM Parts
- Kawasaki
- side-x-side
- 2016
- MULE PRO-DXT™ EPS LE DIESEL
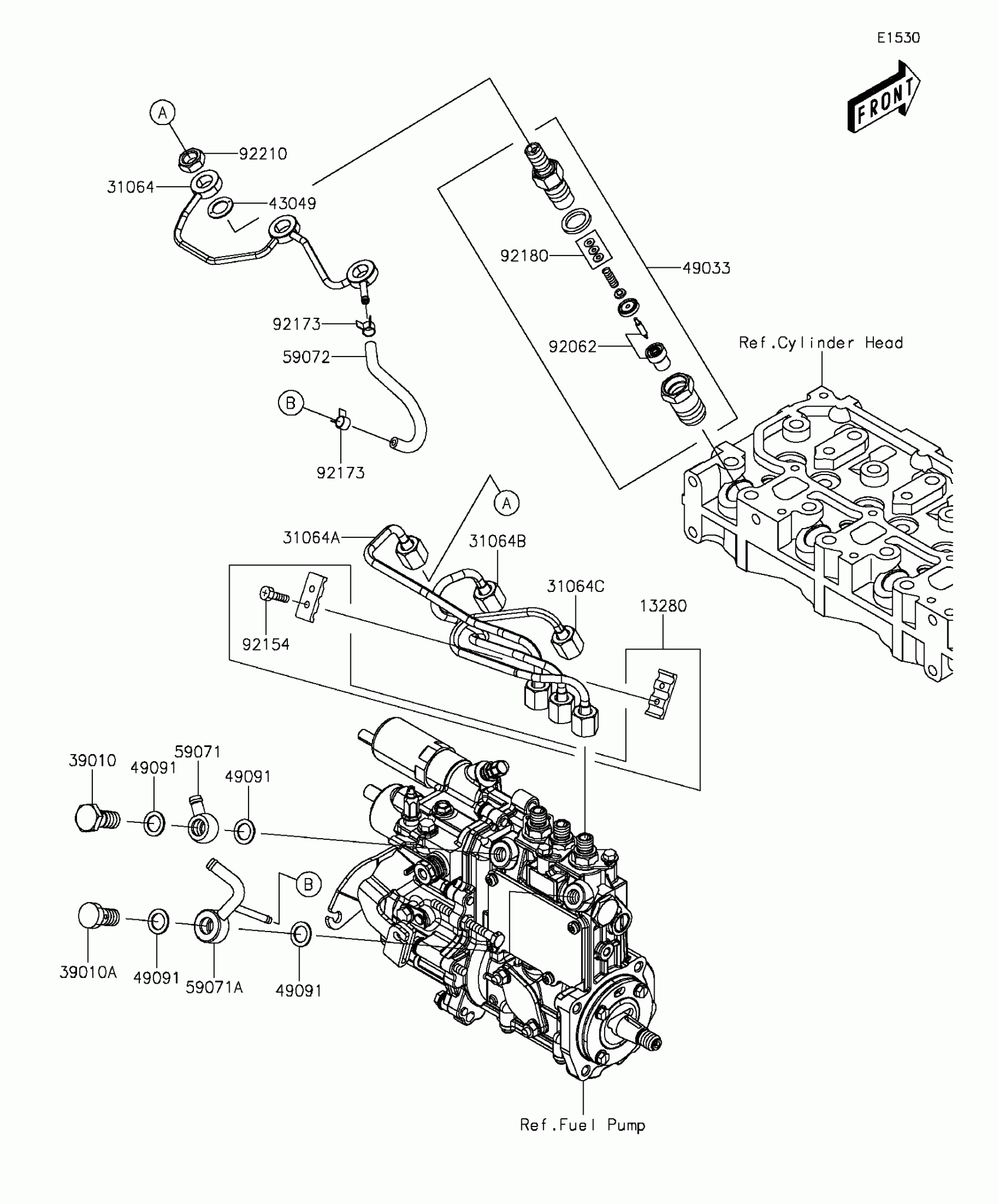
Fuel Injection
Kawasaki MULE PRO-DXT™ EPS LE DIESEL Fuel Injection Diagram
#
Description
Price
Fuel Injection
#
Edit ride
