- Partiron
- OEM Parts
- Kawasaki
- side-x-side
- 2016
- MULE PRO-DXT™ EPS LE DIESEL
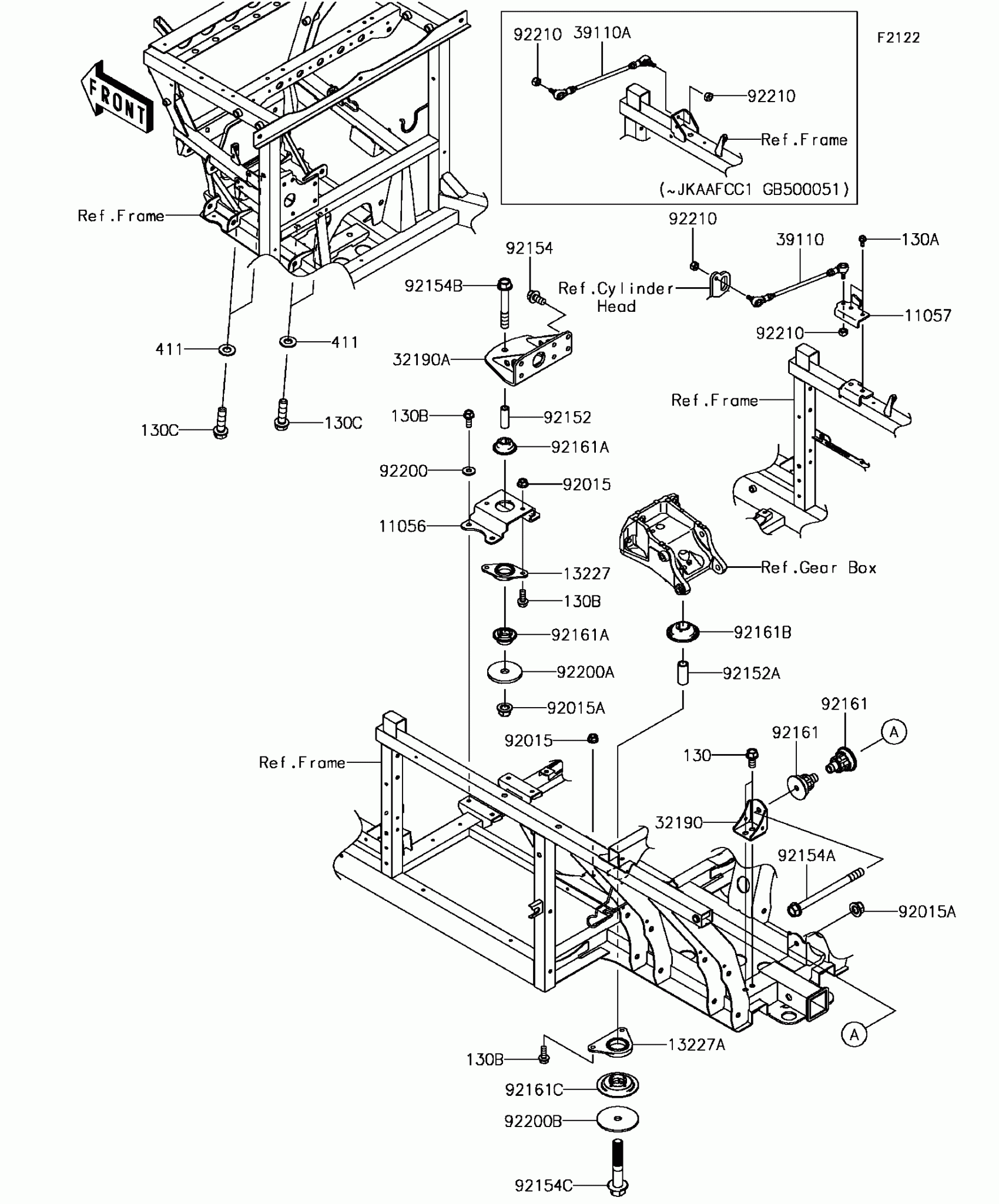
Engine Mount
Kawasaki MULE PRO-DXT™ EPS LE DIESEL Engine Mount Diagram
#
Description
Price
39110
ROD-ASSY-TIE
39110-0046
Unavailable
