Partiron

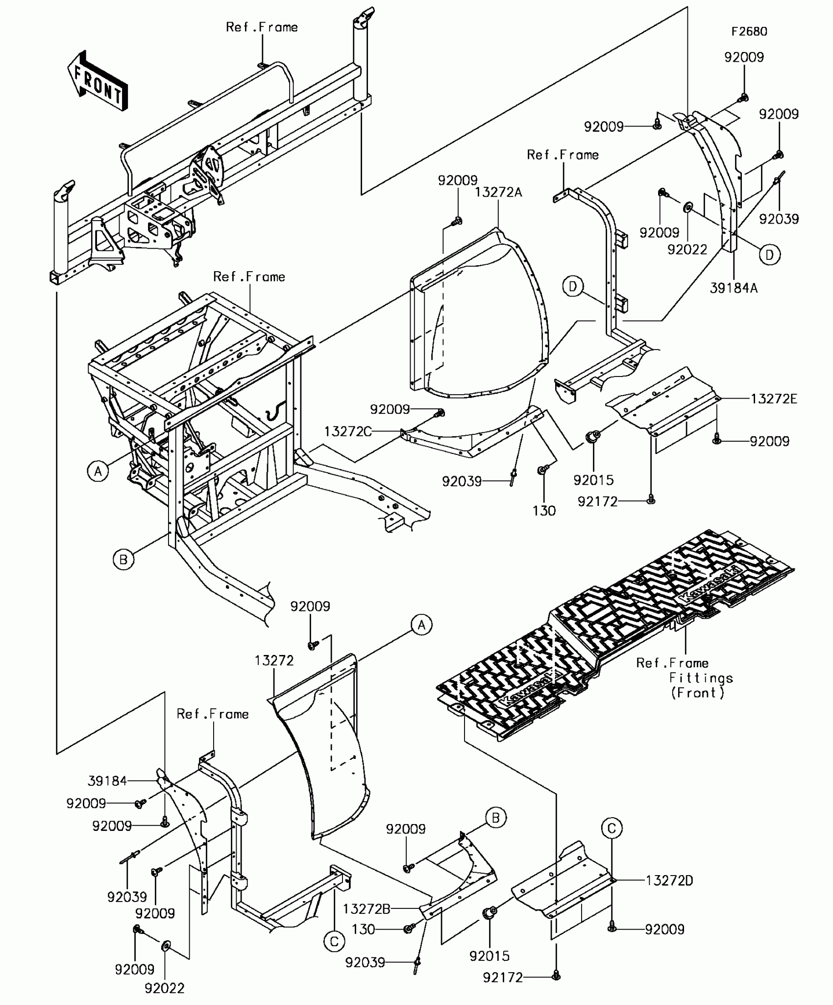
Kawasaki MULE PRO-DXT™ EPS DIESEL Guard(s) Diagram

#

Description
Price

130

BOLT-FLANGED,6X20

130BA0620

$1.74

13272

PLATE

13272-2323

$199.30

13272A

PLATE

13272-2324

$199.30

13272B

PLATE

13272-2327

$27.39

13272C

PLATE

13272-2328

$27.39

13272D

PLATE,UNDER GUARD,LH

13272-2330

$51.72

13272E

PLATE,UNDER GUARD,RH

13272-2331

$51.72

39184

BRACKET-ASSY,SIDE,LH

39184-0718

$46.07

39184A

BRACKET-ASSY,SIDE,RH

39184-0719

$46.07

92009

SCREW,TAPPING,6X16

92009-1166

$5.52

92015

NUT,RUBBER,6MM

92015-1692

$7.34

92022

WASHER,8.2X19X2

92022-1533

$5.52

92039

RIVET

92039-0778

$2.47

92172

SCREW,6X16

92172-0284

$1.34