Partiron

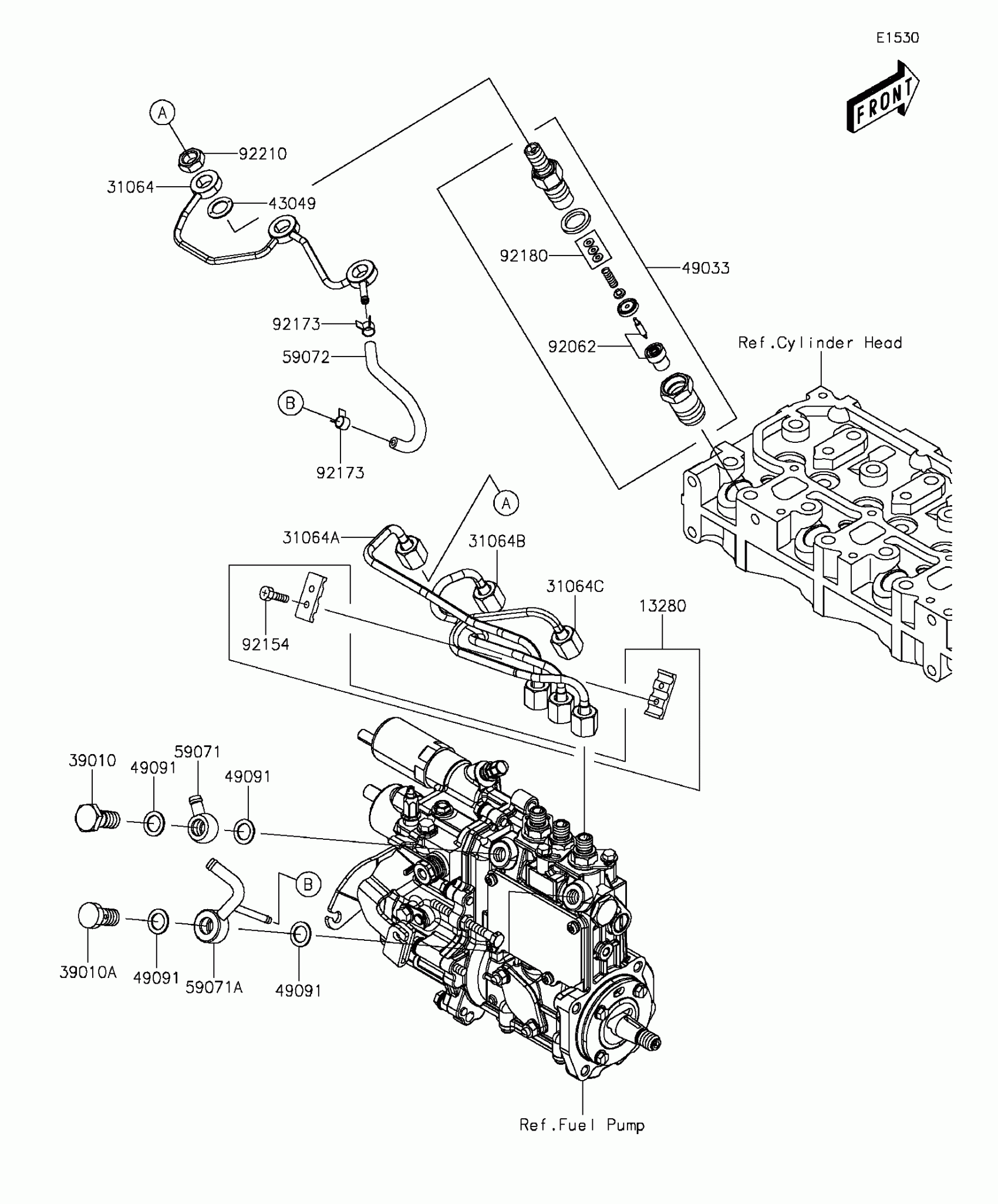
Kawasaki MULE PRO-DXT™ EPS DIESEL Fuel Injection Diagram

#

Description
Price

13280

HOLDER

13280-0862

$7.84

31064

PIPE-COMP,RETURN

31064-0681

$97.38

31064A

PIPE-COMP,INJECTION,NO.1

31064-0682

$81.25

31064B

PIPE-COMP,INJECTION,NO.2

31064-0683

$81.25

31064C

PIPE-COMP,INJECTION,NO.3

31064-0684

$81.25

39010

BOLT-EYE,PIPE JOINT

39010-0001

$17.04

39010A

BOLT-EYE,PIPE JOINT

39010-0002

$19.28

43049

PACKING

43049-0045

$11.59

49033

NOZZLE-INJECTION

49033-0039

$231.53

49091

WASHER-SEAL

49091-0007

$4.41

59071

JOINT

59071-0738

$7.92

59071A

JOINT,OVER FLOW

59071-0739

$52.60

59072

JOINT-EYE

59072-0004

$4.33

92062

NOZZLE

92062-0038

$111.68

92154

BOLT,4X14

92154-2115

$3.07

92173

CLAMP

92173-1551

$4.41

92180

SHIM,SET

92180-0971

$24.10

92210

NUT

92210-1469

$3.98