- Partiron
- OEM Parts
- Kawasaki
- side-x-side
- 2016
- MULE PRO-DXT™ EPS DIESEL
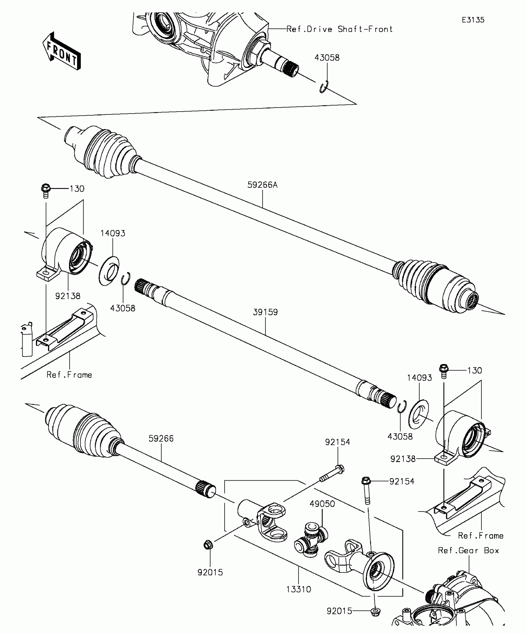
Drive Shaft-Propeller
Kawasaki MULE PRO-DXT™ EPS DIESEL Drive Shaft-Propeller Diagram
#
Description
Price
Drive Shaft-Propeller
#
Edit ride
