Partiron

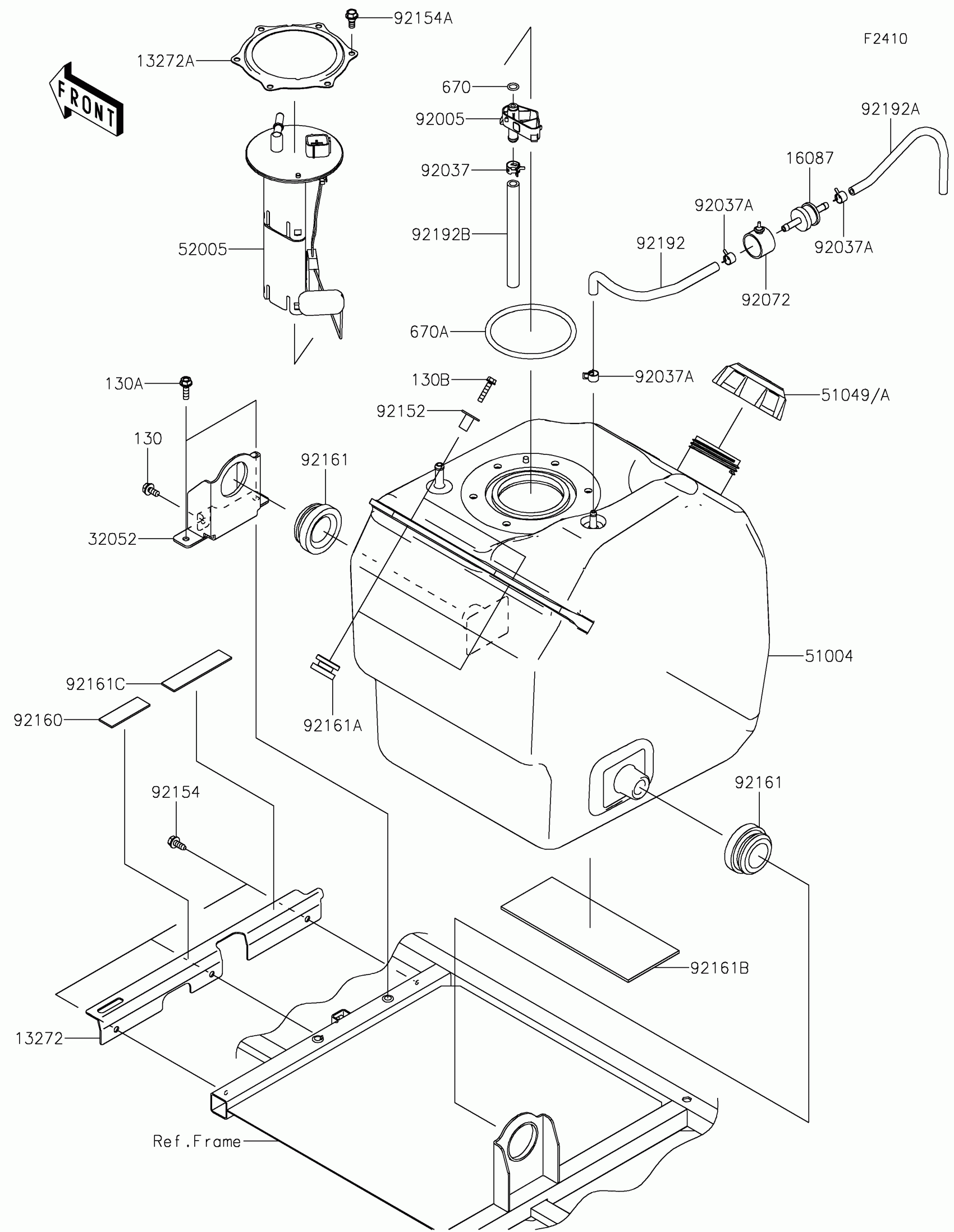
Kawasaki MULE PRO-DX Fuel Tank Diagram

#

Description
Price

13272

PLATE

13272-2206

$13.76

13272A

PLATE

13272-2500

$6.56

16087

VALVE-CHECK

16087-0008

$37.65

32052

BRACKET-TANK

32052-0751

$16.44

51004

TANK-FUEL

51004-0019

$228.50

51049A

CAP-TANK,FUEL

51049-0767

$70.37

52005

GAUGE,FUEL

52005-0753

$366.08

92005

FITTING

92005-0813

$3.26

92037

CLAMP,HOSE CLIP

92037-1181

$3.36

92037A

CLAMP,TUBE

92037-1461

$3.88

92072

BAND

92072-0850

$4.99

92152

COLLAR,6.8X10X18.1

92152-1867

$5.23

92154

BOLT,6X15.6

92154-1250

$0.82

92154A

BOLT,FUEL PUMP

92154-1326

$0.95

92160

DAMPER

92160-1075

$6.57

92161

DAMPER,30X56X25

92161-1613

$4.97

92161A

DAMPER,10X28X17

92161-1614

$1.65

92161B

DAMPER,80X200X3.175

92161-1645

$15.30

92161C

DAMPER

92161-1876

$1.97

92192

TUBE,BREATHER

92192-0773

$5.48

92192A

TUBE,BREATHER,5X9X220

92192-1199

$4.06

92192B

TUBE,FUEL,8X13X137

92192-1474

$2.47

130

BOLT-FLANGED,6X12

130BA0612

$1.72

130A

BOLT-FLANGED,6X20

130BA0620

$1.74

130B

BOLT-FLANGED,6X30

130BA0630

$1.46

670

O RING,9MM

670E1509

$3.57

670A

O RING

670E5090

$30.75