Partiron

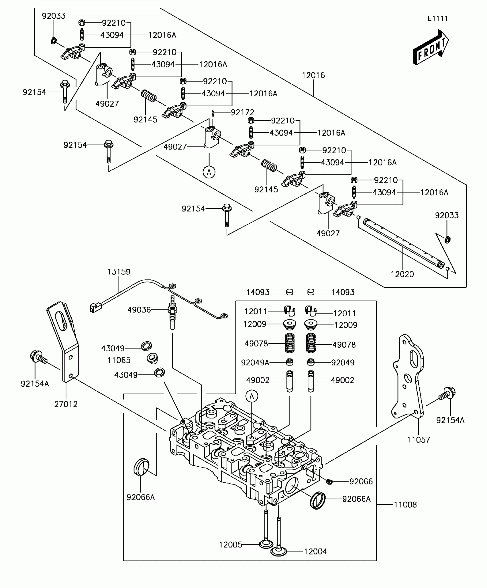
Kawasaki MULE PRO-DX™ EPS DIESEL Cylinder Head Diagram

#

Description
Price

11008

HEAD-COMP-CYLINDER

11008-0875

$1,936.32

11057

BRACKET,FRAME

11057-1247

$91.81

11065

CAP,NOZZLE

11065-0942

$4.37

12004

VALVE-INTAKE

12004-0739

$57.71

12005

VALVE-EXHAUST

12005-0759

$57.71

12009

RETAINER-VALVE SPRING

12009-0029

$12.58

12011

COLLET

12011-0004

$11.19

12016

ARM-ROCKER

12016-0044

$410.48

12016A

ARM-ROCKER

12016-0045

$78.77

12020

SHAFT-ROCKER

12020-0018

$84.52

13159

CONNECTOR,PLUG-GLOW

13159-0019

$27.26

14093

COVER,VALVE

14093-0440

$7.84

27012

HOOK

27012-0819

$104.79

43049

PACKING,NOZZLE

43049-0037

$3.54

43094

ADJUSTER,VALVE

43094-0006

$14.39

49002

GUIDE-VALVE

49002-0032

$46.30

49027

HOLDER-ROCKER

49027-0001

$52.60

49036

PLUG-GLOW

49036-0002

$126.36

49078

SPRING-ENGINE VALVE

49078-0731

$10.95

92033

RING-SNAP

92033-0773

$2.02

92049

SEAL-OIL,INTAKE

92049-0789

$11.39

92049A

SEAL-OIL,EXHAUST

92049-0790

$11.39

92066

PLUG

92066-0847

$7.54

92066A

PLUG

92066-0852

$7.54

92145

SPRING

92145-1711

$12.35

92154

BOLT,FLANGED,8X40

92154-1987

$2.92

92154A

BOLT,FLANGED,8X16

92154-2071

$2.03

92172

SCREW,5X16

92172-0984

$2.92

92210

NUT,8MM

92210-1468

$2.92