Partiron

Kawasaki MULE PRO-DX Engine Mount Diagram

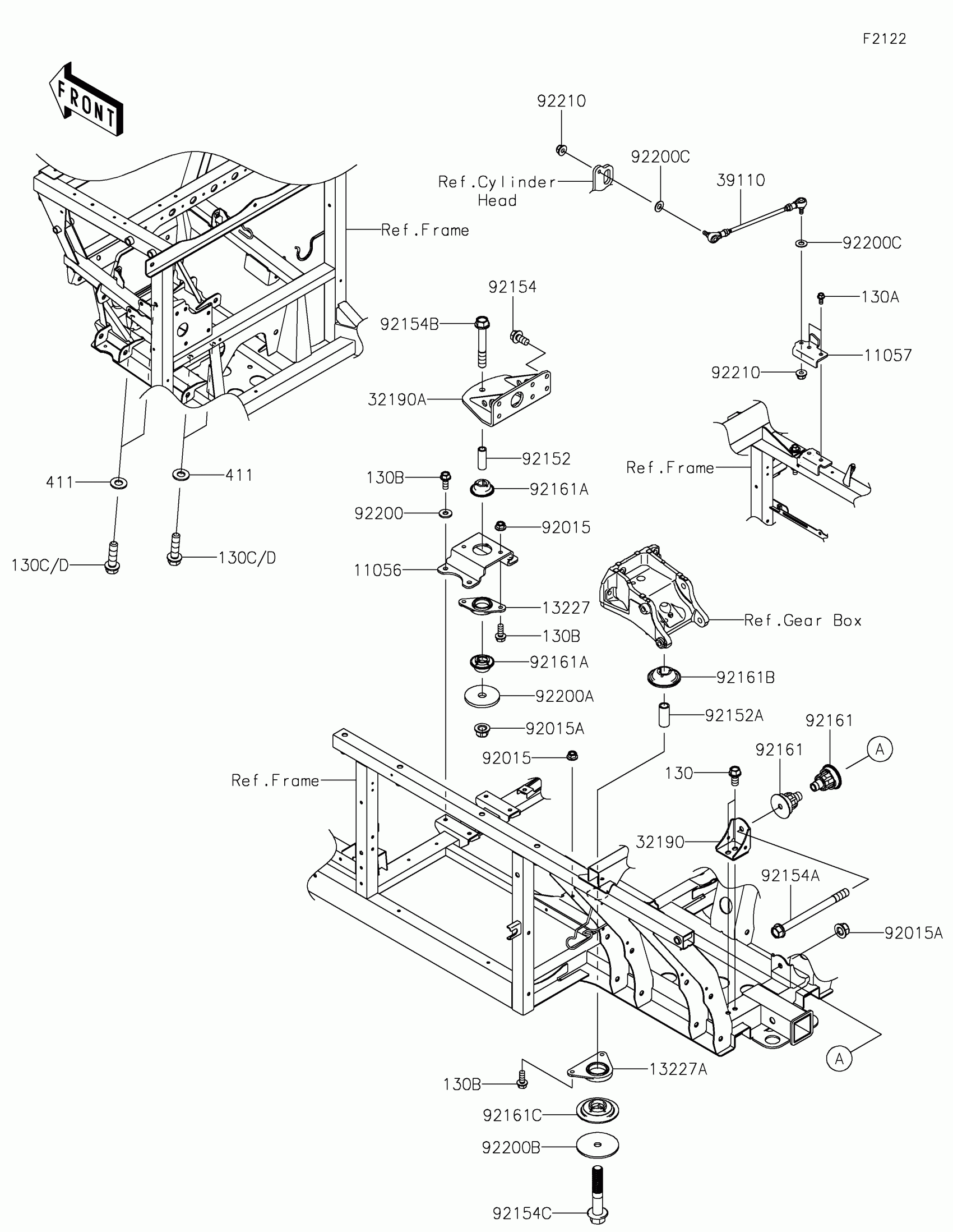
#

Description
Price

11056

BRACKET

11056-7475

$18.91

11057

BRACKET,TORQUE ROD

11057-2696

$9.26

13227

HOUSING

13227-0031

$29.55

13227A

HOUSING

13227-0032

$33.89

32190

BRACKET-ENGINE

32190-0662

$18.28

32190A

BRACKET-ENGINE,FR

32190-0701

$68.27

39110

ROD-ASSY-TIE

39110-0050

$122.32

92015

NUT,LOCK,FLANGED,8MM

92015-1397

$4.31

92015A

NUT,LOCK,FLANGED,12MM

92015-1433

$8.86

92152

COLLAR,13X19.1X54

92152-1802

$10.21

92152A

COLLAR,17X23.8X54.5

92152-2127

$12.56

92154

BOLT,FLANGED,10X20

92154-1321

$2.00

92154A

BOLT,FLANGED,12X150

92154-1322

$13.85

92154B

BOLT,FLANGED,12X80

92154-1419

$7.35

92154C

BOLT,FLANGED,16X86

92154-1763

$19.45

92161

DAMPER

92161-1616

$35.45

92161A

DAMPER

92161-1617

$21.97

92161B

DAMPER

92161-1618

$34.98

92161C

DAMPER

92161-1619

$56.42

92200

WASHER,8.2X20.0X2.5

92200-0205

$3.35

92200A

WASHER,12.5X55X4.76

92200-0913

$3.62

92200B

WASHER,16.5X100X4.76

92200-1747

$7.09

92200C

WASHER,8.5X18X1

92200-2284

$8.52

92210

NUT,FLANGED,LOCK,8MM

92210-0493

$7.60

130

BOLT-FLANGED,10X20

130BA1020

$3.35

130A

BOLT-FLANGED,8X18

130CA0818

$2.55

130B

BOLT-FLANGED,8X20

130CA0820

$1.71

130C

BOLT-FLANGED,12X35

130CA1235

$3.63

130D

BOLT-FLANGED,12X45

130CA1245

$2.75

411

WASHER-PLAIN,12MM

411AA1200

$1.49