- Partiron
- OEM Parts
- Kawasaki
- side-x-side
- 2016
- MULE PRO-DX™ DIESEL
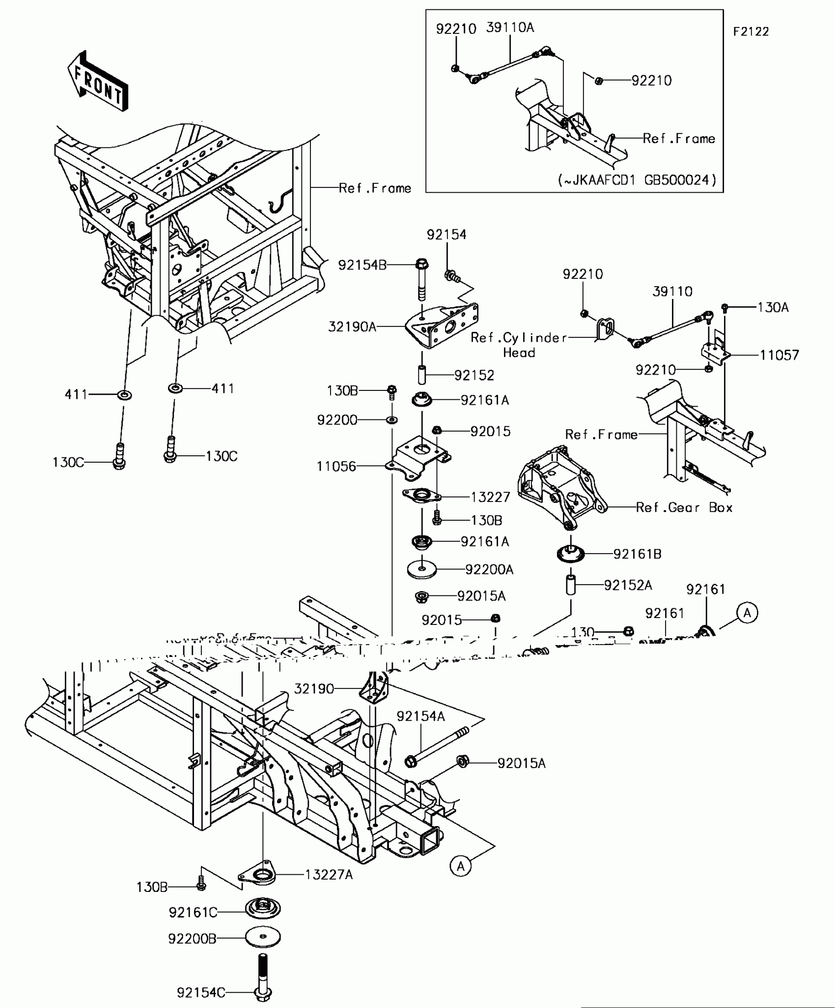
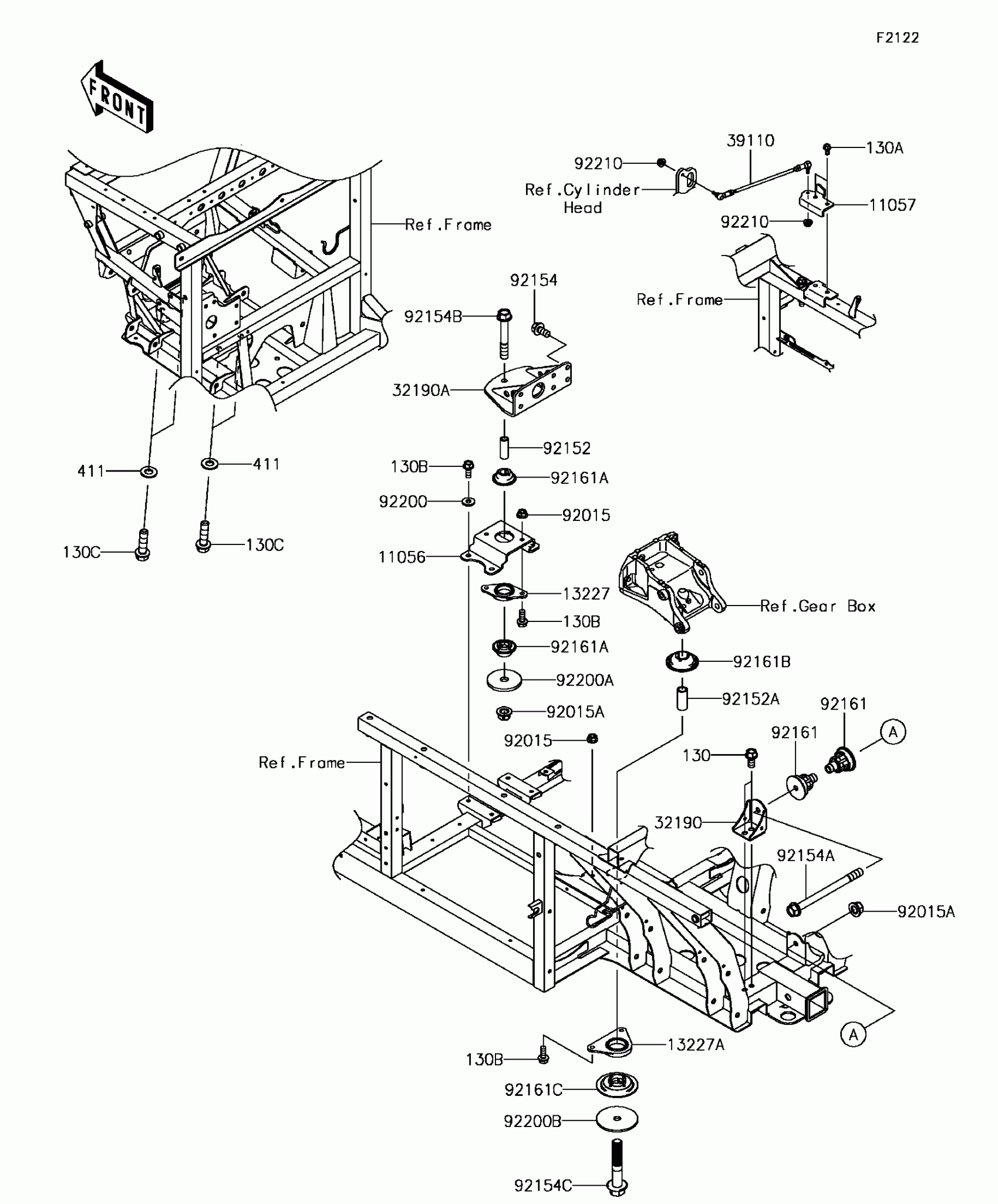
Engine Mount
Kawasaki MULE PRO-DX™ DIESEL Engine Mount Diagram
#
Description
Price
39110
ROD-ASSY-TIE
39110-0046
Unavailable
Engine Mount
#
39110
39110-0046
Unavailable
Edit ride
