- Partiron
- OEM Parts
- Kawasaki
- side-x-side
- 2014
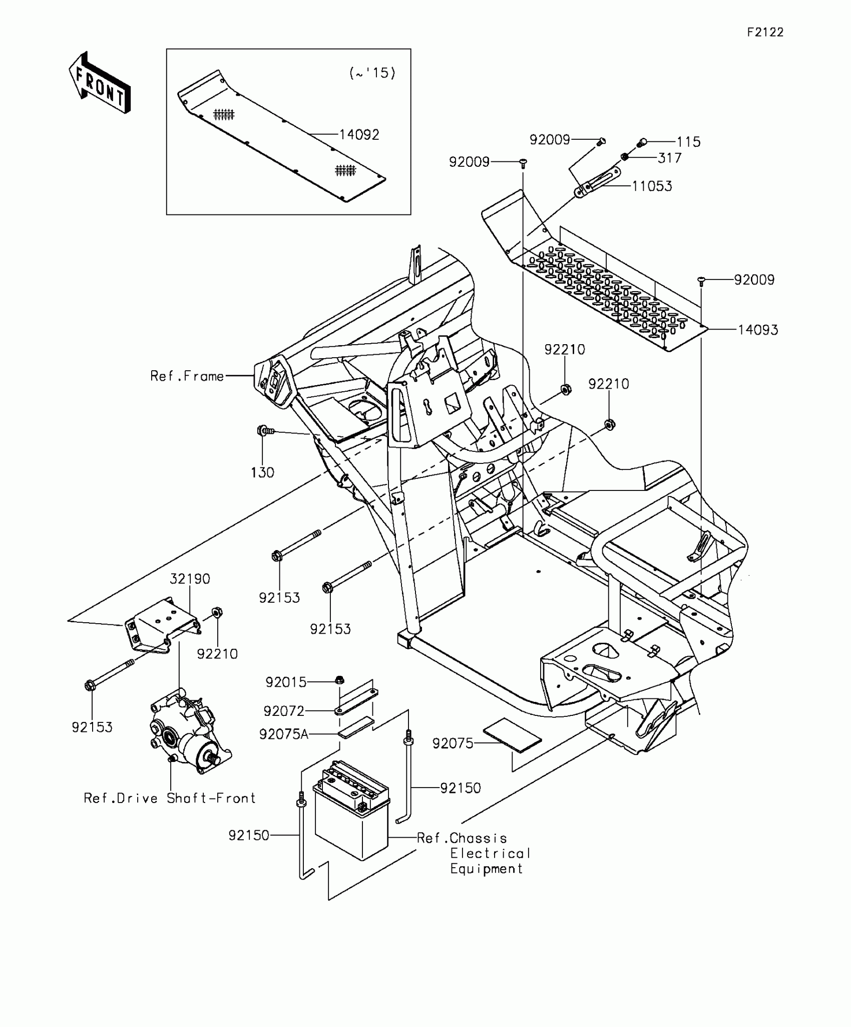
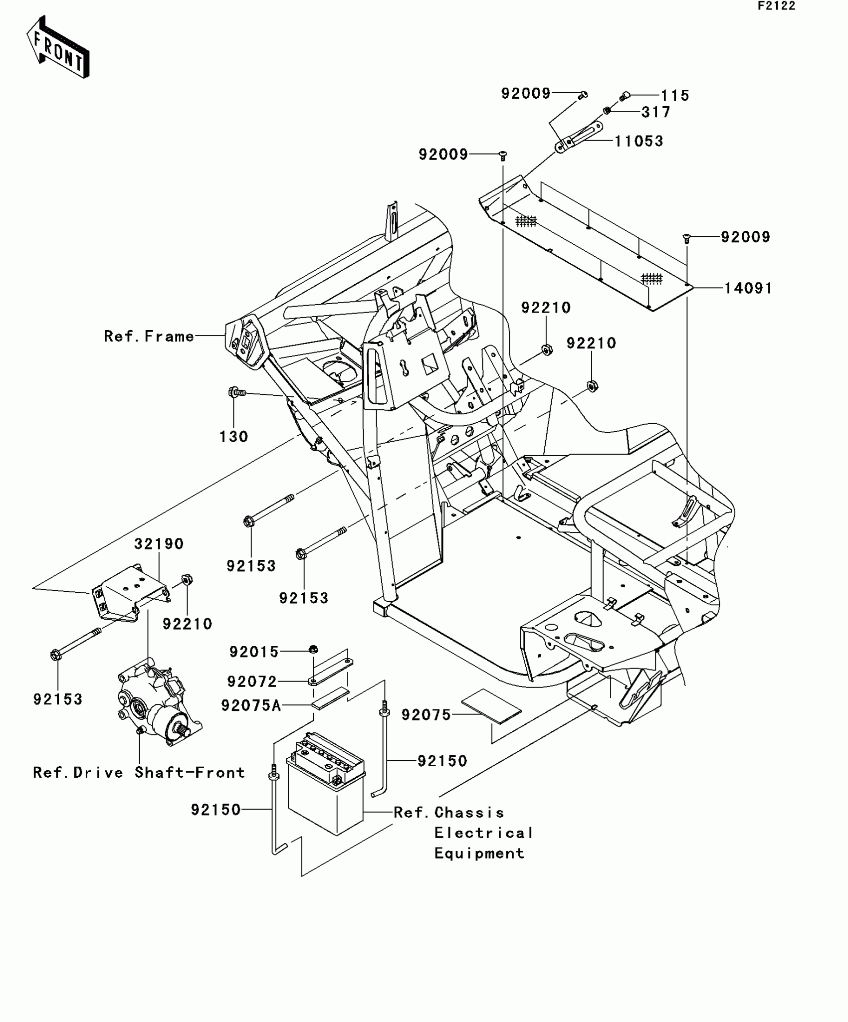
- MULE™ 610 4x4 XC
Engine Mount
Kawasaki MULE™ 610 4x4 XC Engine Mount Diagram
#
Description
Price
32190
BRACKET-ENGINE
32190-0163
Unavailable
92072
BAND,BATTERY
92072-1233
Unavailable
