- Partiron
- OEM Parts
- Kawasaki
- side-x-side
- 2015
- MULE™ 610 4x4 XC CAMO
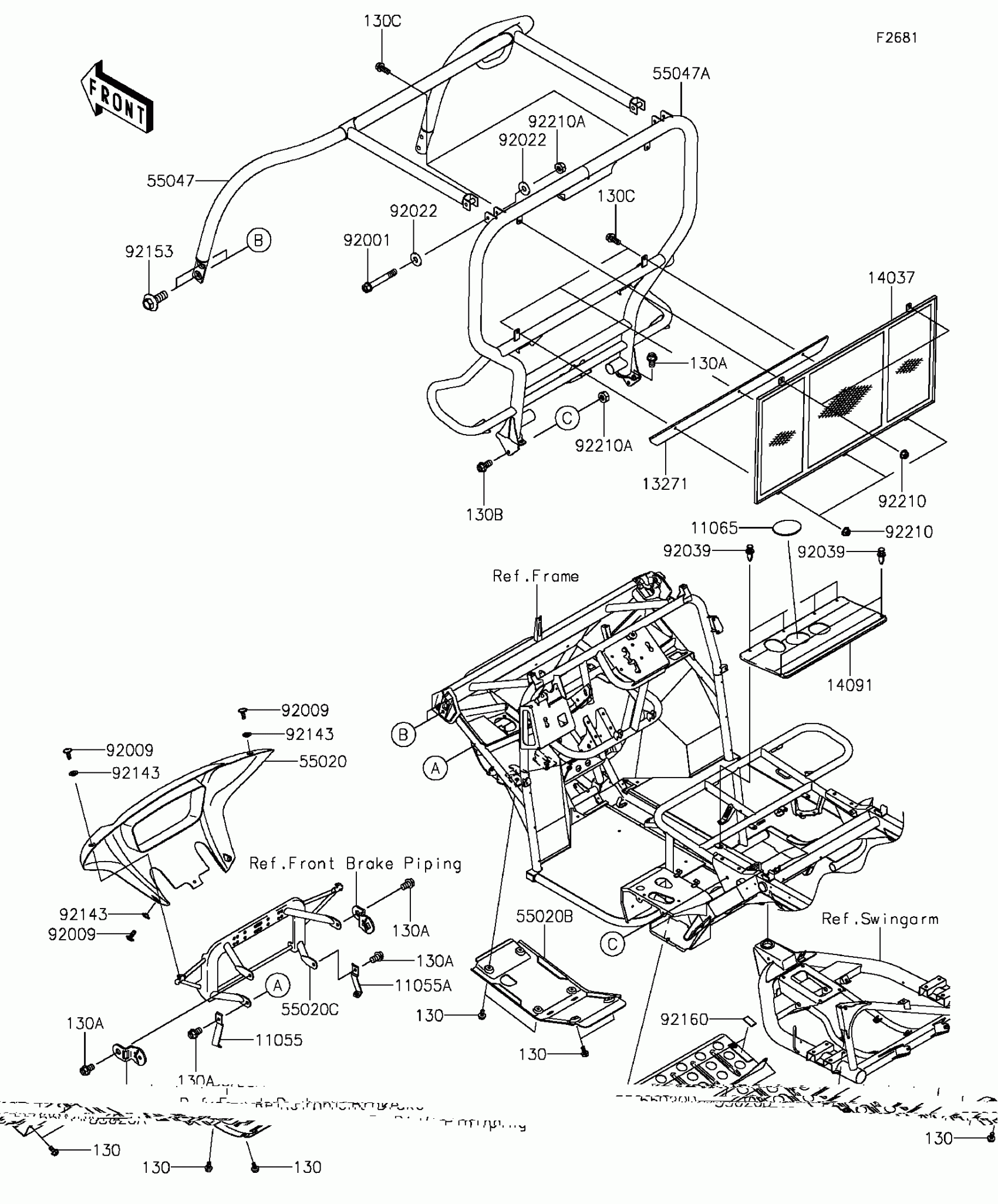
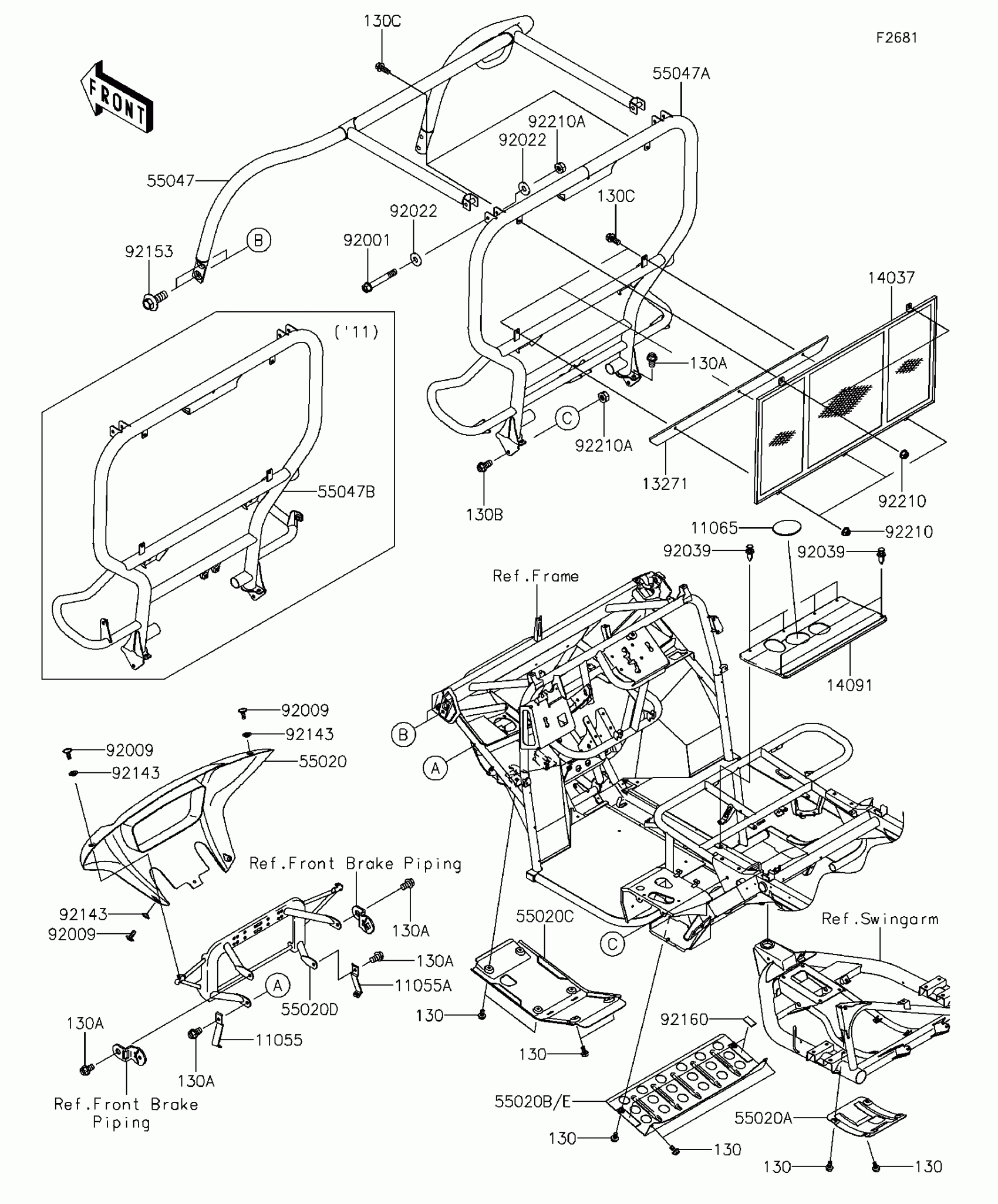
Guards/Cab Frame
Kawasaki MULE™ 610 4x4 XC CAMO Guards/Cab Frame Diagram
#
Description
Price
92009
SCREW,6X16
92009-1621
Unavailable
