Partiron

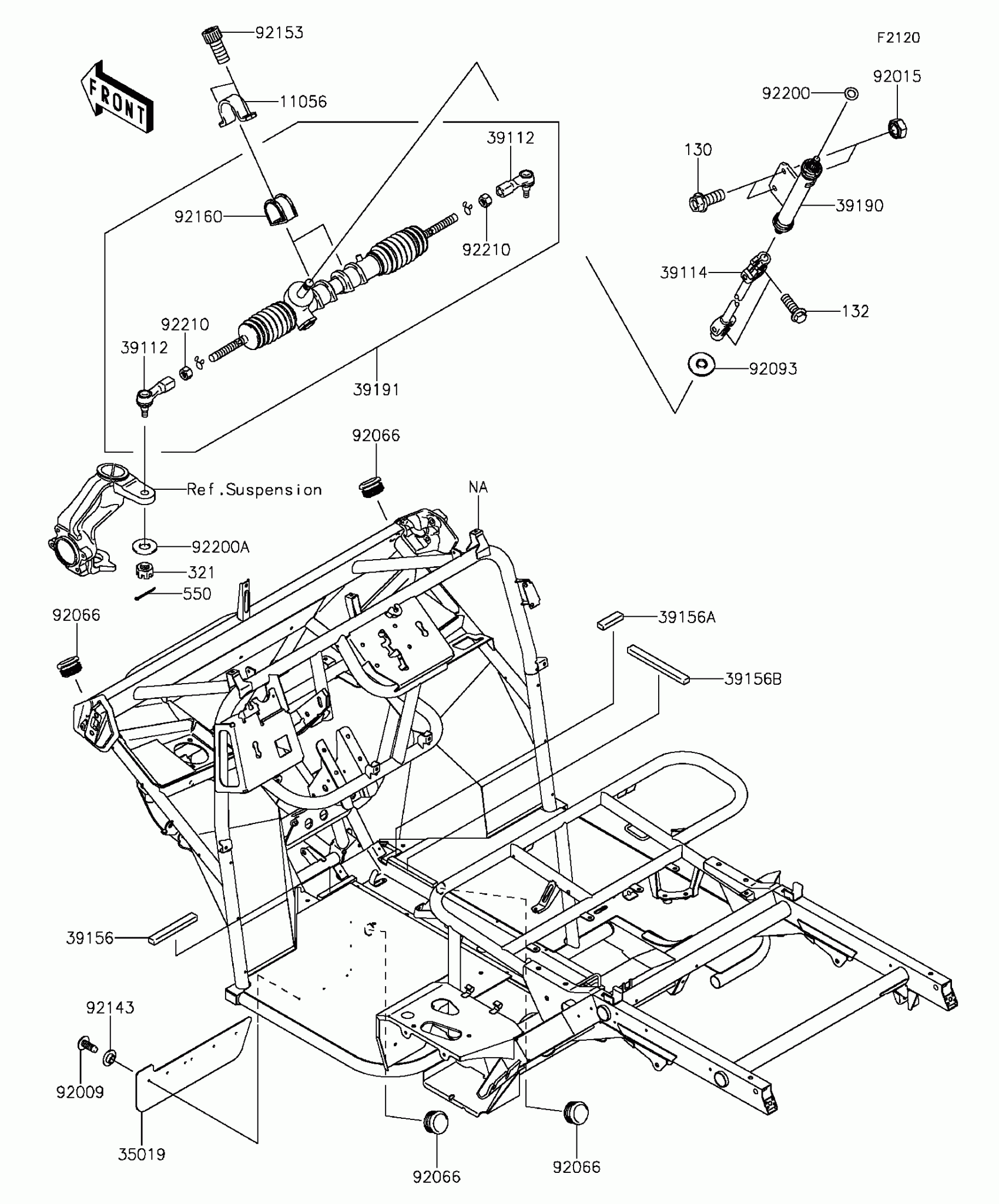
Kawasaki MULE™ 610 4x4 XC CAMO Frame Diagram

#

Description
Price

11056

BRACKET,STEERING GEAR

11056-2238

$10.61

35019

FLAP,FR

35019-0037

$44.95

39112

RODEND-TIE,STEERING GEAR

39112-0008

$102.29

39114

SHAFT-COMP-STRG

39114-0003

$328.63

39156

PAD

39156-0068

$3.87

39156A

PAD

39156-0069

$2.10

39156B

PAD

39156-0070

$5.28

39190

SHAFT-ASSY-STEERING

39190-0004

$242.95

39191

GEAR-ASSY-STEERING

39191-0023

$1,002.27

92009

SCREW,TAPPING,6X16

92009-1166

$5.52

92015

NUT,LOCK,10MM,BLACK

92015-1189

$7.34

92066

PLUG

92066-0036

$2.10

92093

SEAL

92093-1313

$7.26

92143

COLLAR

92143-1087

$4.31

92153

BOLT,SOCKET,10X23

92153-1269

$2.80

92160

DAMPER,STEERING GEAR

92160-1084

$31.96

92200

WASHER,10.3X23X1.6

92200-0140

$4.80

92200A

WASHER,15X25X1.6

92200-0460

$3.71

92210

NUT,14MM

92210-0217

$5.65

130

BOLT-FLANGED,10X25

130BB1025

$5.25

132

BOLT-FLANGED-SMALL,8X25

132BB0825

$4.12

321

NUT-CASTLE

321BA1000

$6.57

550

PIN-COTTER,2.0X22

550AA2022

$2.51