- Partiron
- OEM Parts
- Kawasaki
- side-x-side
- 2007
- Mule 610 4x4 Hardwoods Green HD
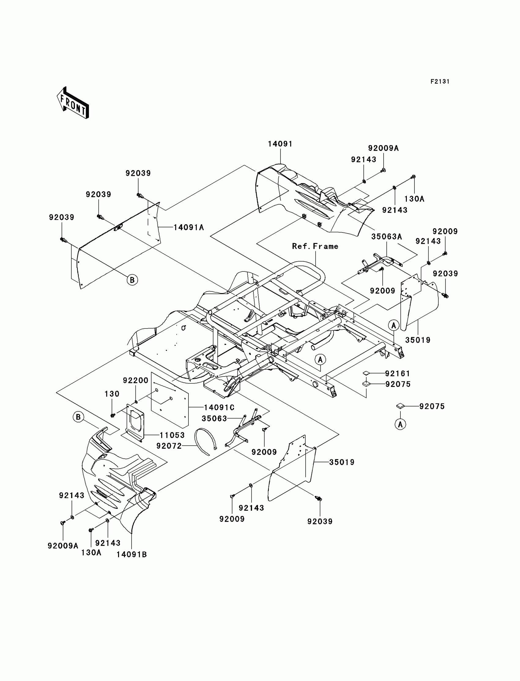
Frame Fittings(Rear)
Kawasaki Mule 610 4x4 Hardwoods Green HD Frame Fittings(Rear) Diagram
#
Description
Price
92009A
SCREW,6X16
92009-1621
Unavailable
92161
DAMPER
92161-0256
Unavailable
