- Partiron
- OEM Parts
- Kawasaki
- side-x-side
- 2007
- Mule 610 4x4 Hardwoods Green HD
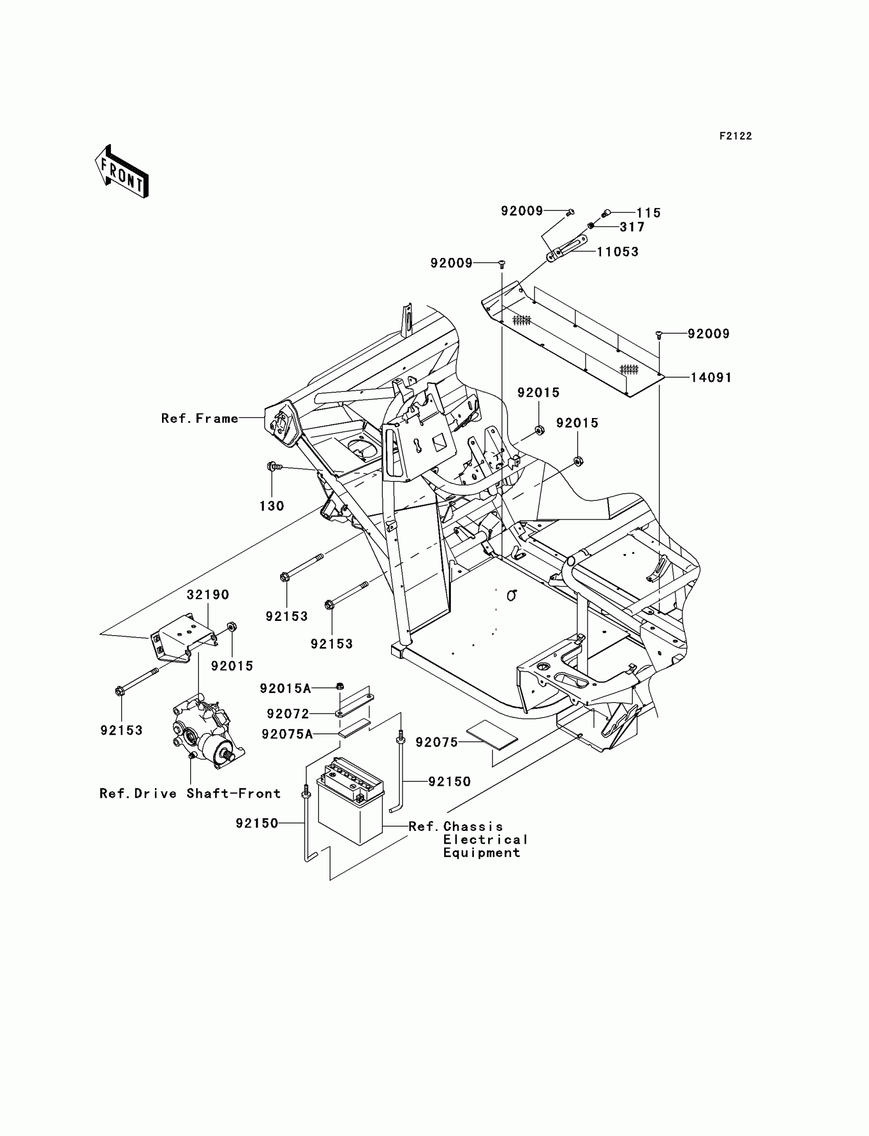
Engine Mount
Kawasaki Mule 610 4x4 Hardwoods Green HD Engine Mount Diagram
#
Description
Price
32190
BRACKET-ENGINE
32190-0163
Unavailable
92072
BAND,BATTERY
92072-1233
Unavailable
