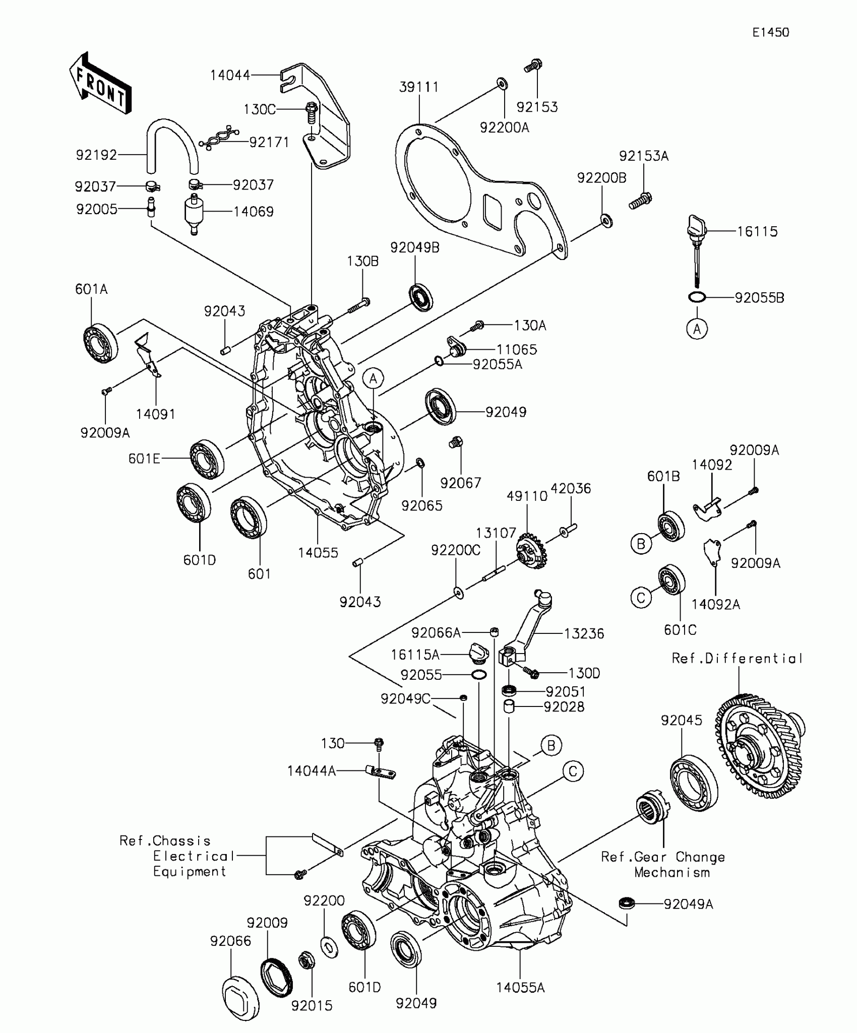
Kawasaki Mule 600 Gear Box Diagram
#
Description
Price
49110
GOVERNOR-ASSY
49110-0004
Unavailable
130A
BOLT-FLANGED,6X14
130H0614
Unavailable
#
49110
49110-0004
Unavailable
130A
130H0614
Unavailable
Edit ride
