- Partiron
- OEM Parts
- Kawasaki
- side-x-side
- 2018
- MULE™ 4010 TRANS4x4® SE
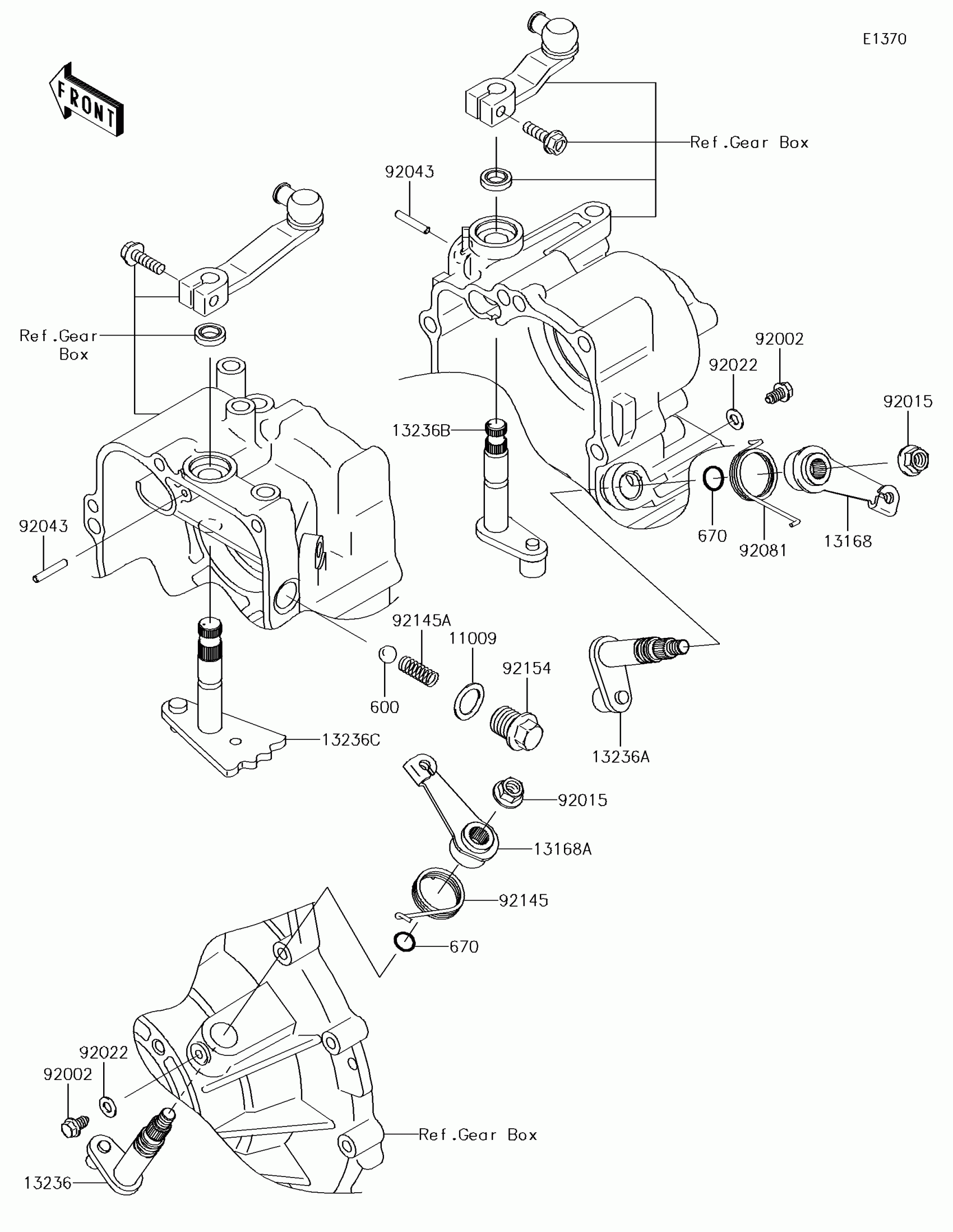
Gear Change Mechanism
Kawasaki MULE™ 4010 TRANS4x4® SE Gear Change Mechanism Diagram
#
Description
Price
Gear Change Mechanism
#
Edit ride
