- Partiron
- OEM Parts
- Kawasaki
- side-x-side
- 2013
- MULE™ 4010 TRANS4x4 Realtree APG HD
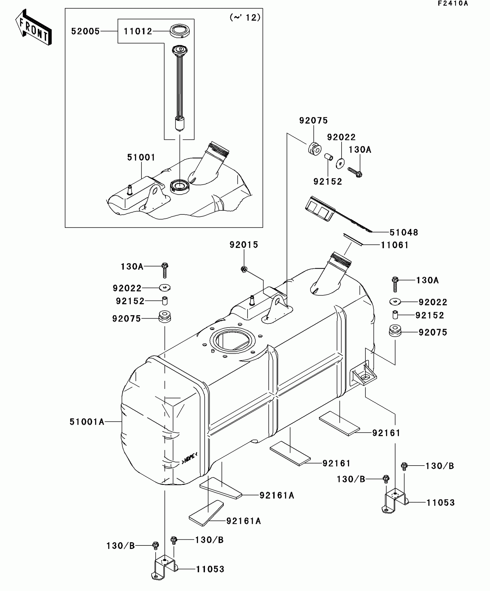
Fuel Tank(SBF-SDF)
Kawasaki MULE™ 4010 TRANS4x4 Realtree APG HD Fuel Tank(SBF-SDF) Diagram
#
Description
Price
52005
GAUGE,FUEL
52005-7501
Unavailable
