Partiron

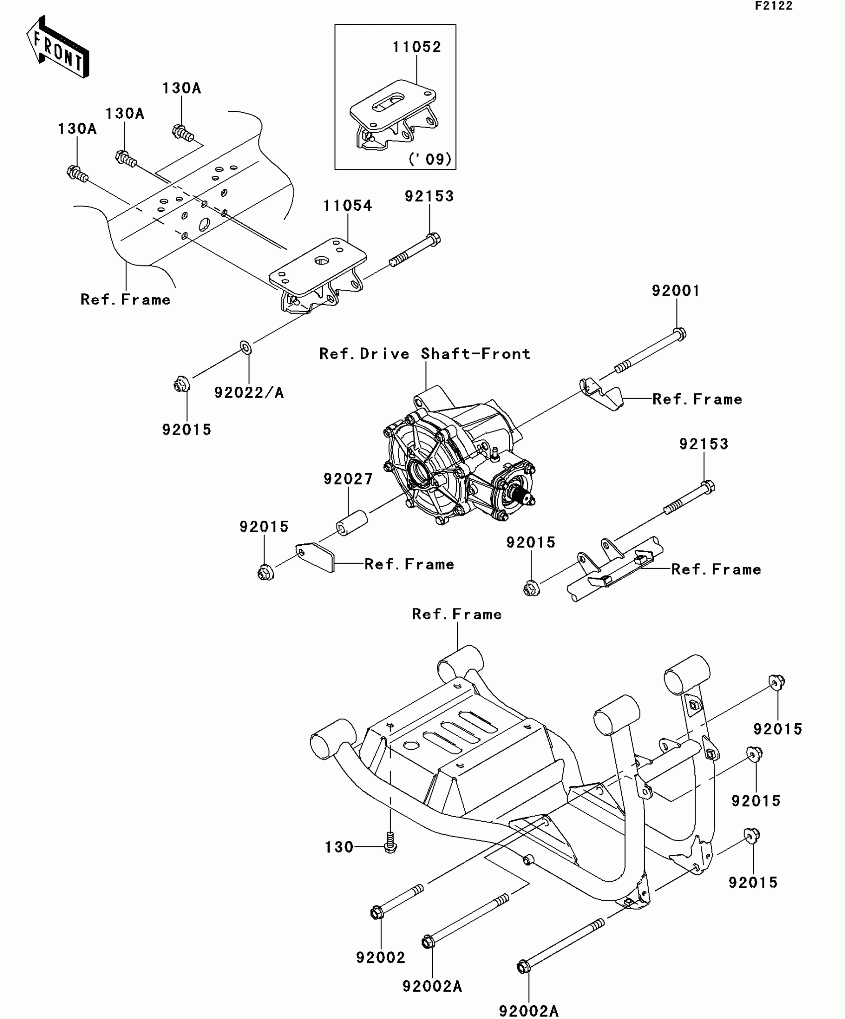
Kawasaki MULE™ 4010 TRANS4x4 Realtree APG HD Engine Mount Diagram

#

Description
Price

11054

BRACKET,FRONT GEAR CASE

11054-7506

$42.31

92001

BOLT,FLANGED,10X115

92001-1603

$10.65

92002

BOLT,FLANGED,10X80

92002-1764

$7.45

92002A

BOLT,FLANGED,10X145

92002-1765

$11.37

92015

NUT,LOCK,10MM

92015-1597

$5.52

92022

WASHER,10.2X20X0.5

92022-1649

Unavailable

92022A

WASHER,10.5X20X1

92022-239

Unavailable

92027

COLLAR,11X20X39

92027-1518

$19.28

92153

BOLT,FLANGED,10X75

92153-1384

$7.75

130

BOLT-FLANGED,8X20

130BA0820

$4.14

130A

BOLT-FLANGED,10X20

130BA1020

$3.35