- Partiron
- OEM Parts
- Kawasaki
- side-x-side
- 2011
- Mule 4010 Trans4x4
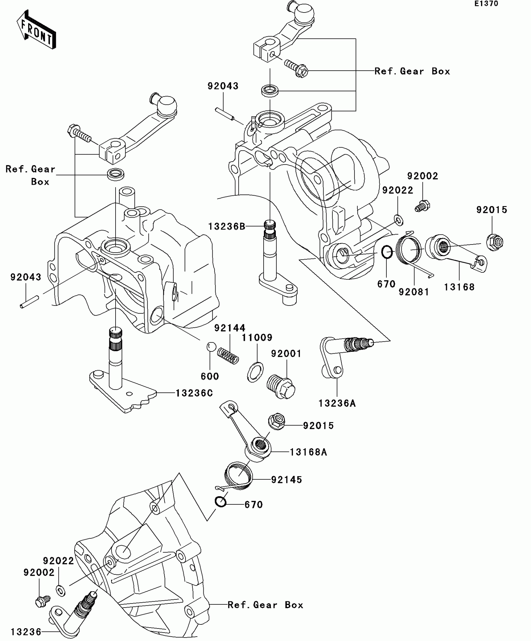
Gear Change Mechanism
Kawasaki Mule 4010 Trans4x4 Gear Change Mechanism Diagram
#
Description
Price
Gear Change Mechanism
#
Edit ride
