- Partiron
- OEM Parts
- Kawasaki
- side-x-side
- 2011
- Mule 4010 Trans4x4
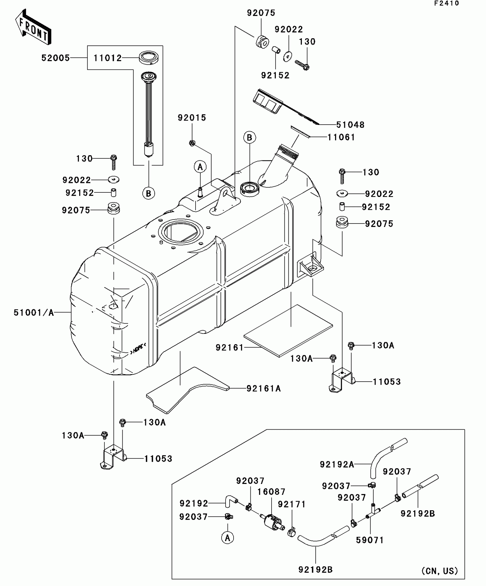
Fuel Tank(R9F-RAFA)
Kawasaki Mule 4010 Trans4x4 Fuel Tank(R9F-RAFA) Diagram
#
Description
Price
52005
GAUGE,FUEL
52005-7501
Unavailable
