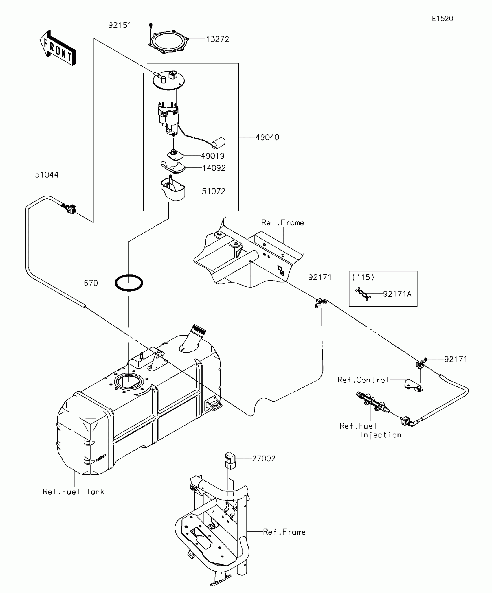
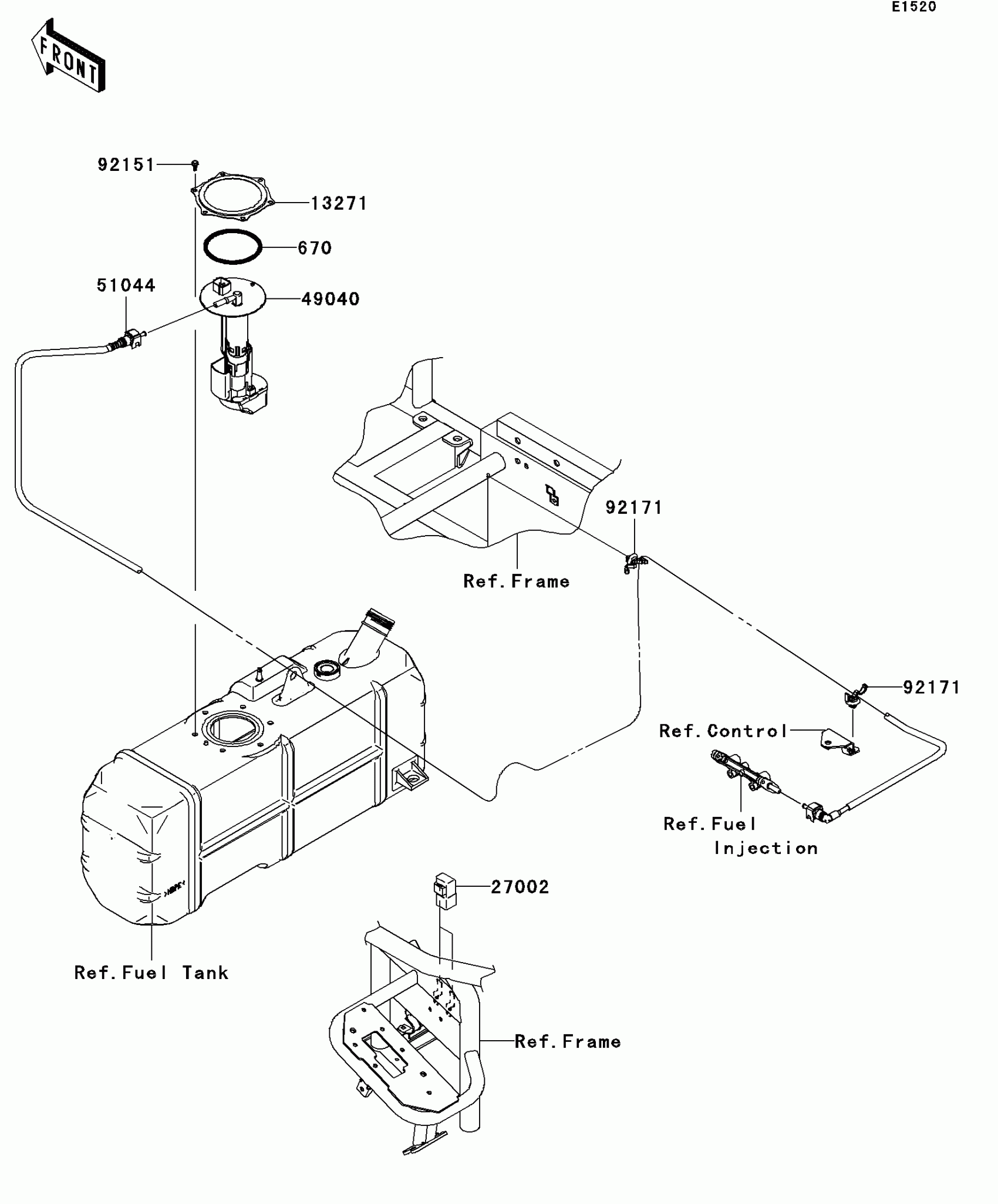
Partiron

Kawasaki Mule 4010 Trans4x4 Fuel Pump Diagram

#

Description
Price

13271

PLATE

13271-0980

$6.56

27002

RELAY-ASSY

27002-1088

$42.06

49040

PUMP-FUEL

49040-0034

Unavailable

51044

TUBE-ASSY,FUEL

51044-0064

$273.60

92151

BOLT,FLANGED,5X11.5

92151-1754

$1.86

92171

CLAMP

92171-0453

$3.54

670

O RING

670E5090

$30.75