- Partiron
- OEM Parts
- Kawasaki
- side-x-side
- 2011
- Mule 4010 Trans4x4
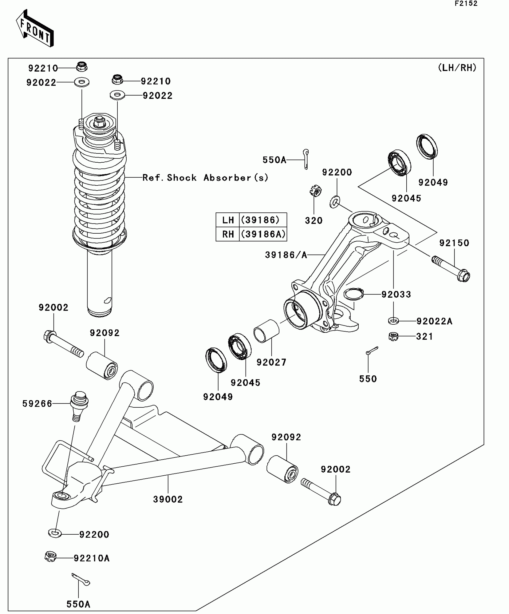
Front Suspension
Kawasaki Mule 4010 Trans4x4 Front Suspension Diagram
#
Description
Price
92045
BEARING-BALL,60052RD
92045-0105
Unavailable
