Kawasaki Mule 4010 Trans4x4 Frame Diagram
#
Description
Price
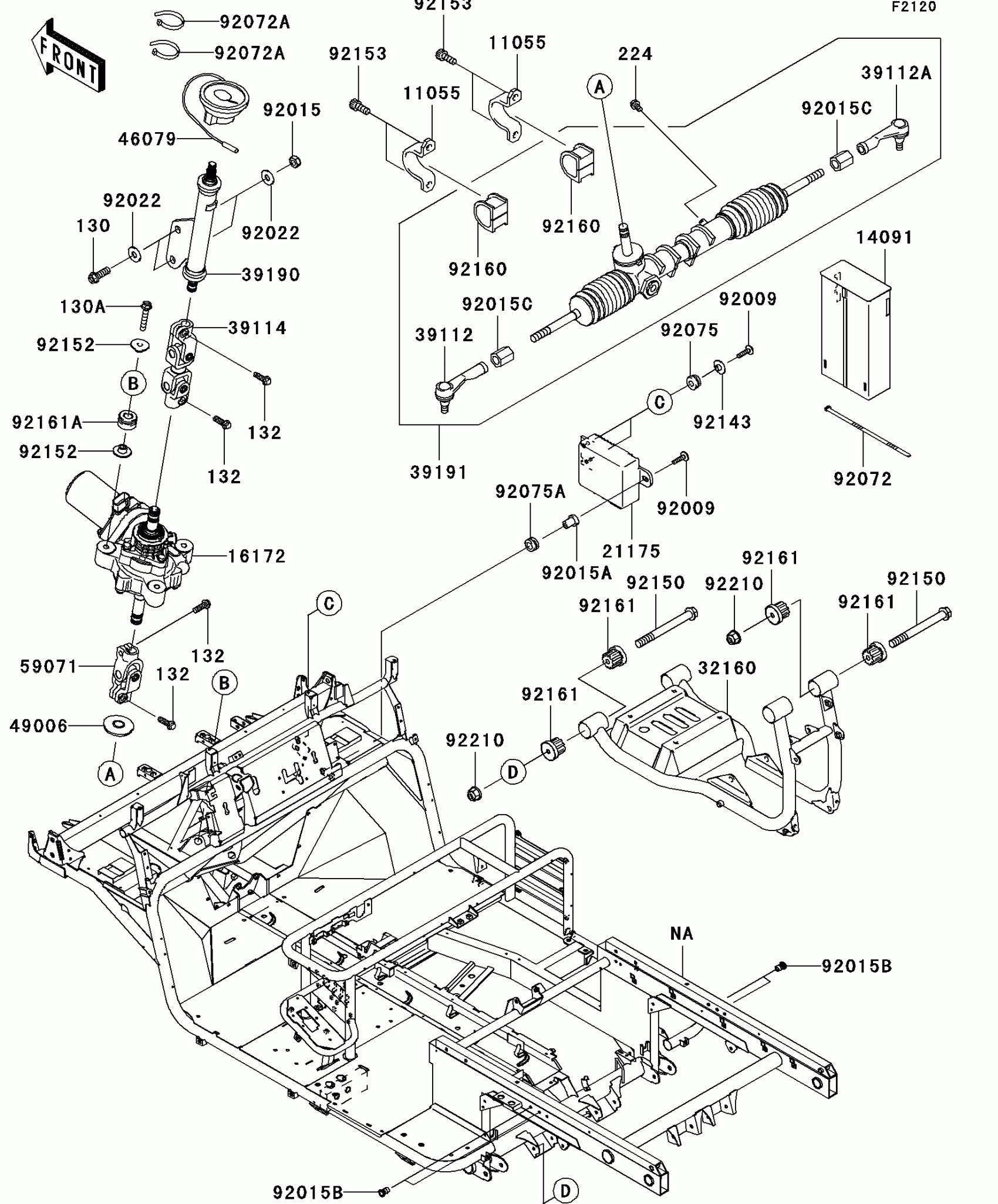
32160
FRAME-COMP,RR
32160-0004
Unavailable
39191
GEAR-ASSY-STEERING
39191-0016
Unavailable
92161
DAMPER
92161-1126
Unavailable
#
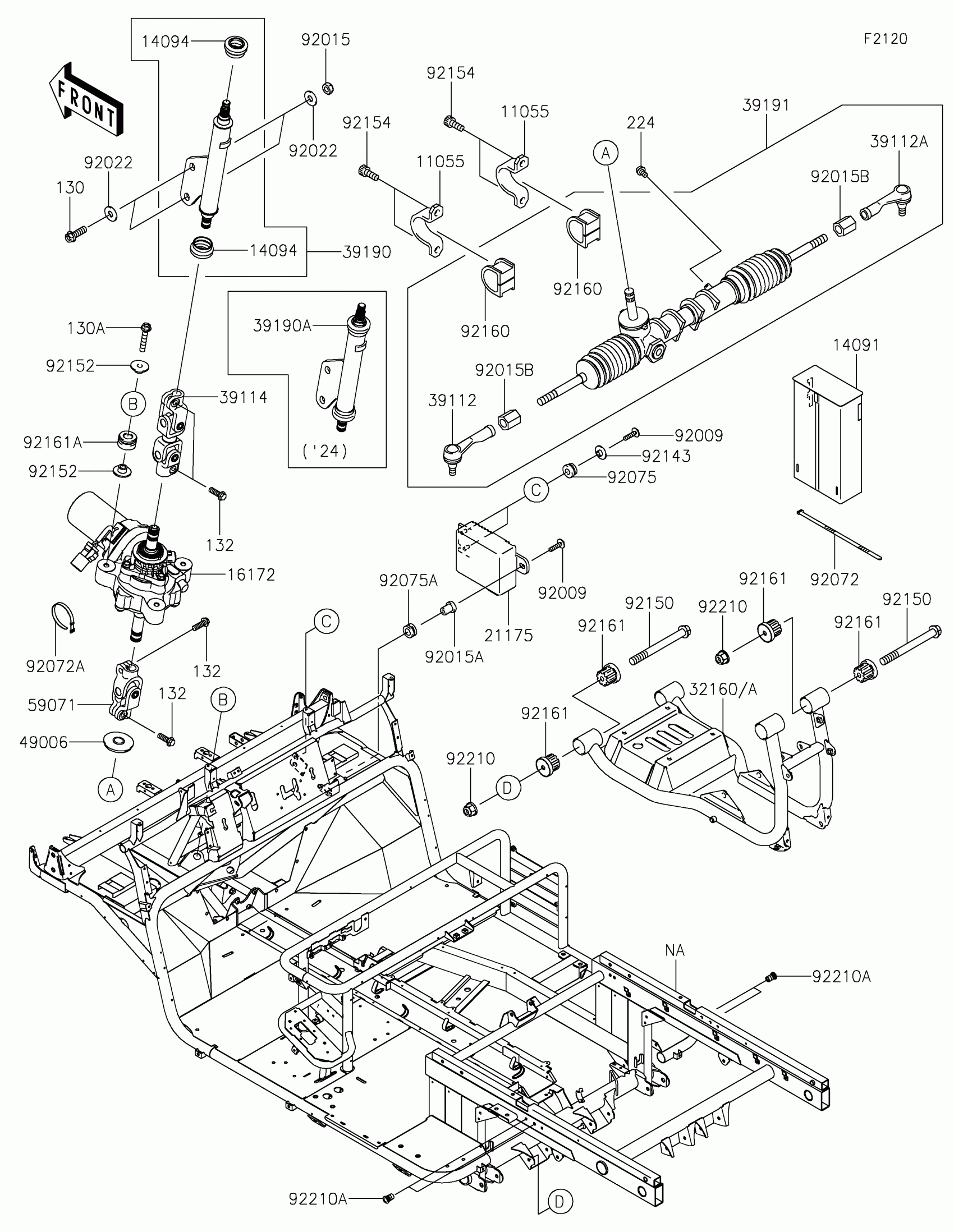
32160
32160-0004
Unavailable
39191
39191-0016
Unavailable
92161
92161-1126
Unavailable
Edit ride
