- Partiron
- OEM Parts
- Kawasaki
- side-x-side
- 2011
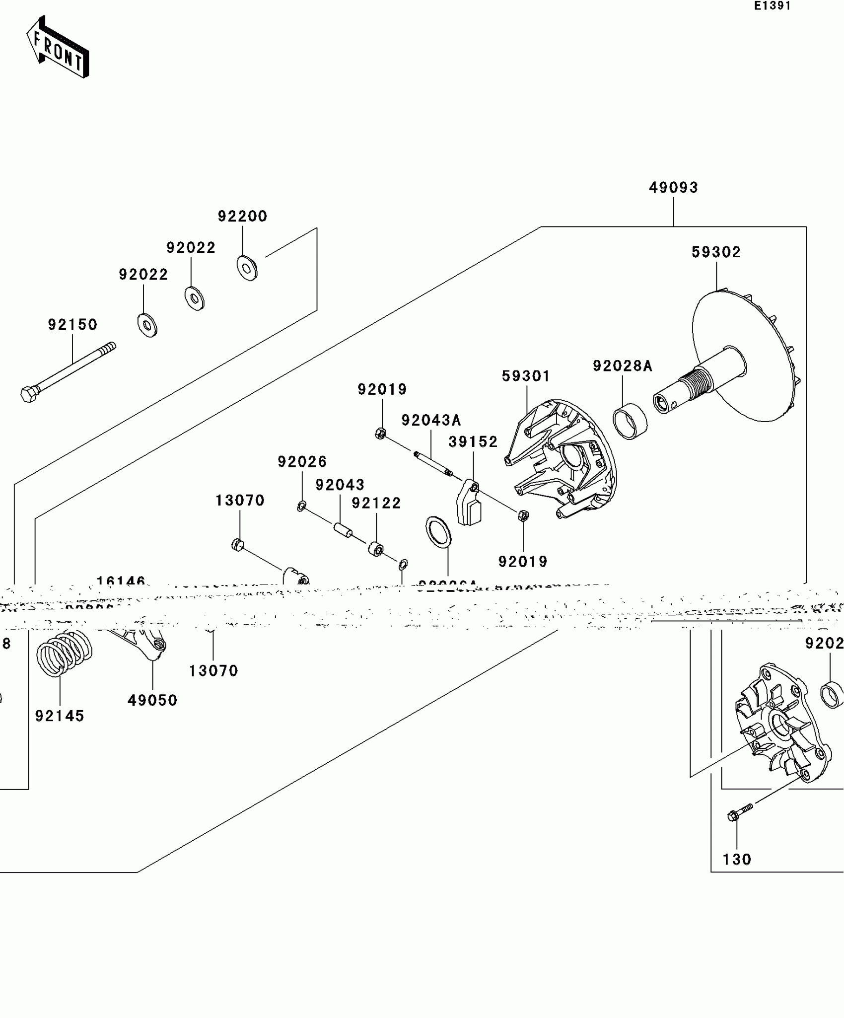
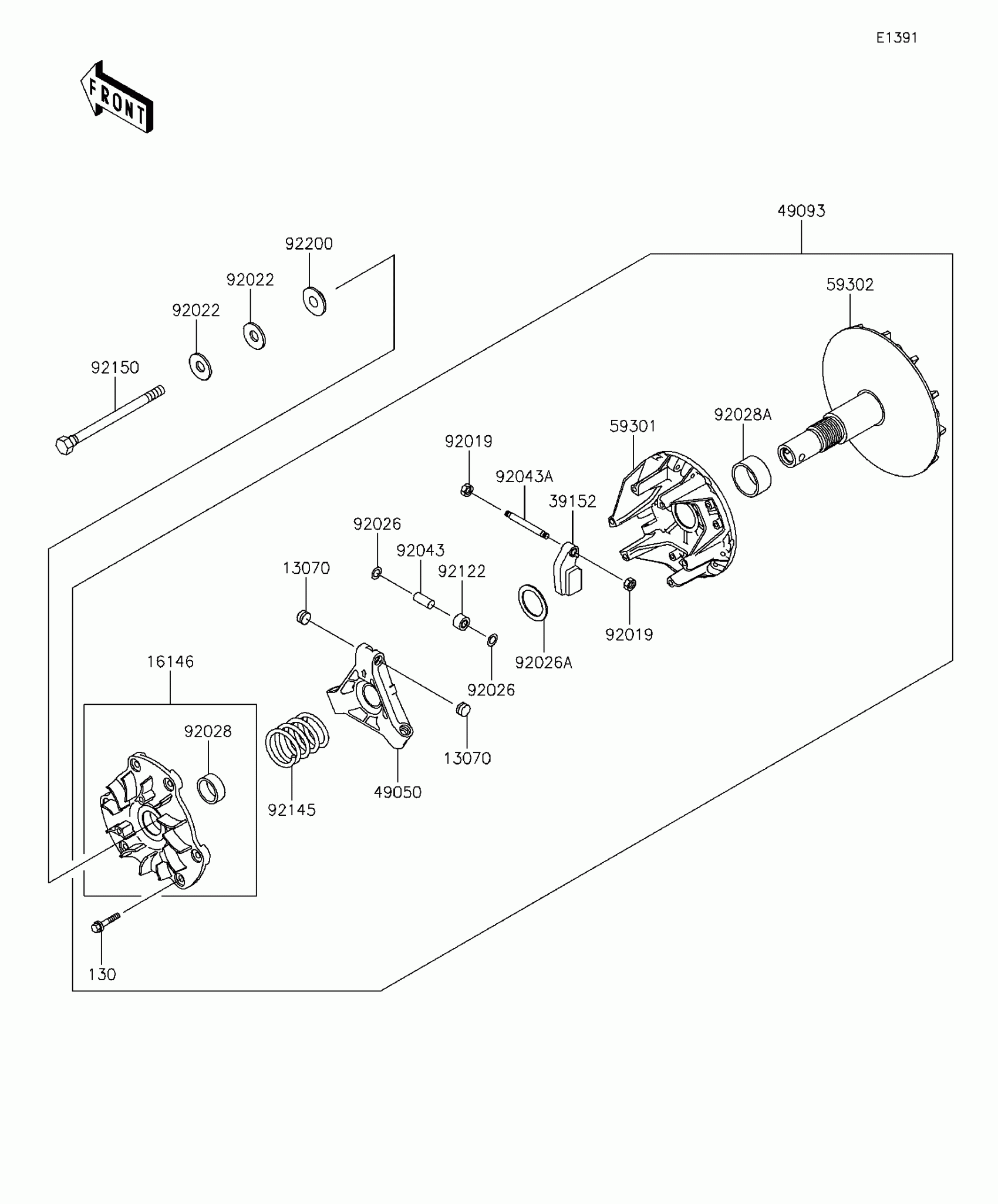
- Mule 4010 Trans4x4
Drive Converter
Kawasaki Mule 4010 Trans4x4 Drive Converter Diagram
#
Description
Price
49050
SPIDER
49050-0013
Unavailable
49093
CONVERTER-ASSY-DRIVE
49093-0023
Unavailable
59301
SHEAVE-MOVABLE
59301-1060
Unavailable
