- Partiron
- OEM Parts
- Kawasaki
- side-x-side
- 2012
- MULE™ 4010 TRANS4x4® CAMO
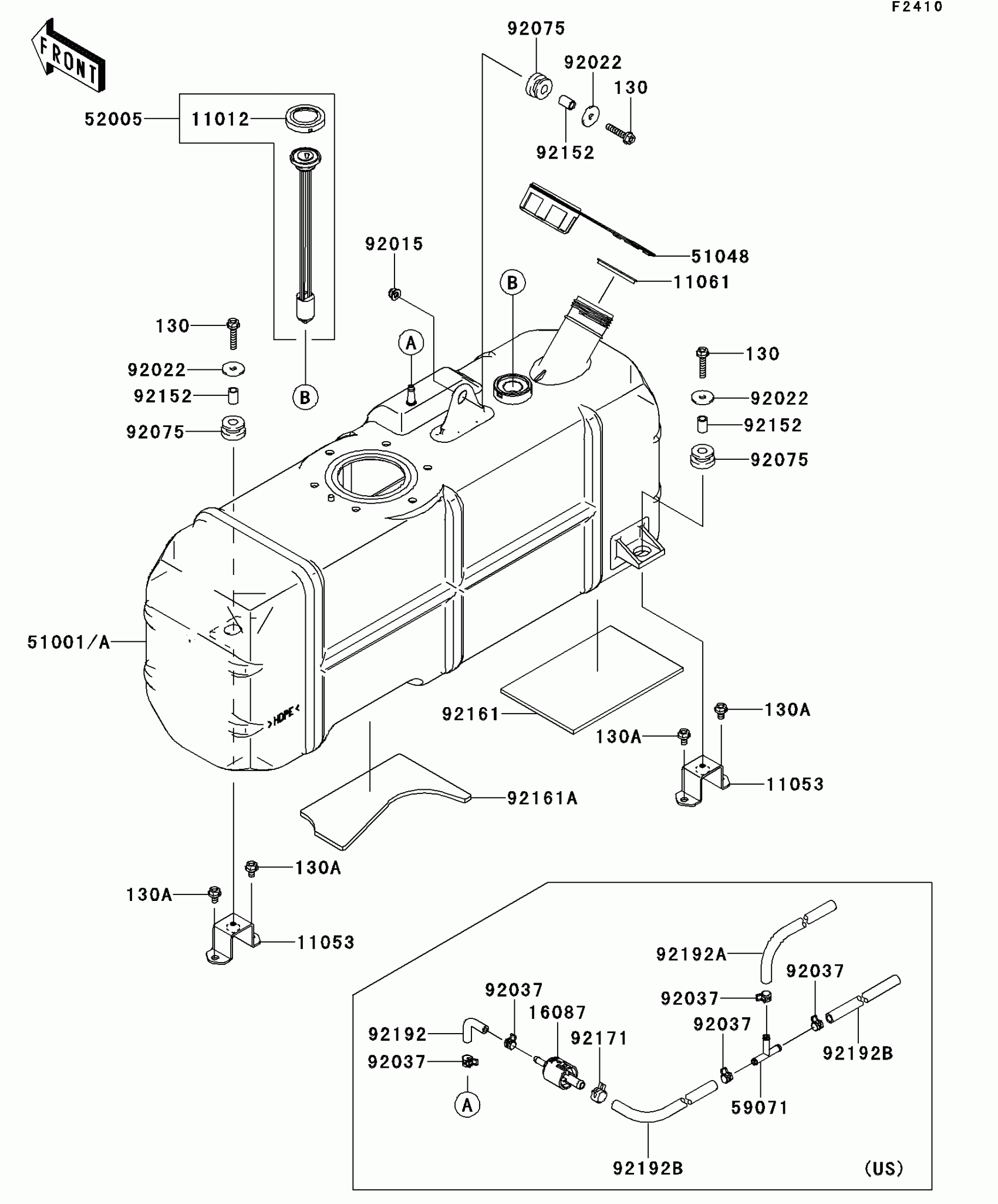
Fuel Tank(S9F/SAF)
Kawasaki MULE™ 4010 TRANS4x4® CAMO Fuel Tank(S9F/SAF) Diagram
#
Description
Price
52005
GAUGE,FUEL
52005-7501
Unavailable
