- Partiron
- OEM Parts
- Kawasaki
- side-x-side
- 2013
- MULE™ 4010 DIESEL 4x4
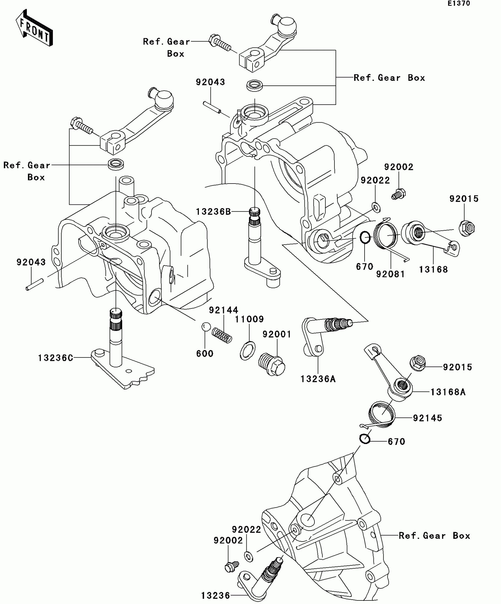
Gear Change Mechanism
Kawasaki MULE™ 4010 DIESEL 4x4 Gear Change Mechanism Diagram
#
Description
Price
Gear Change Mechanism
#
Edit ride
