Kawasaki MULE™ 4010 DIESEL 4x4 Frame Diagram
#
Description
Price
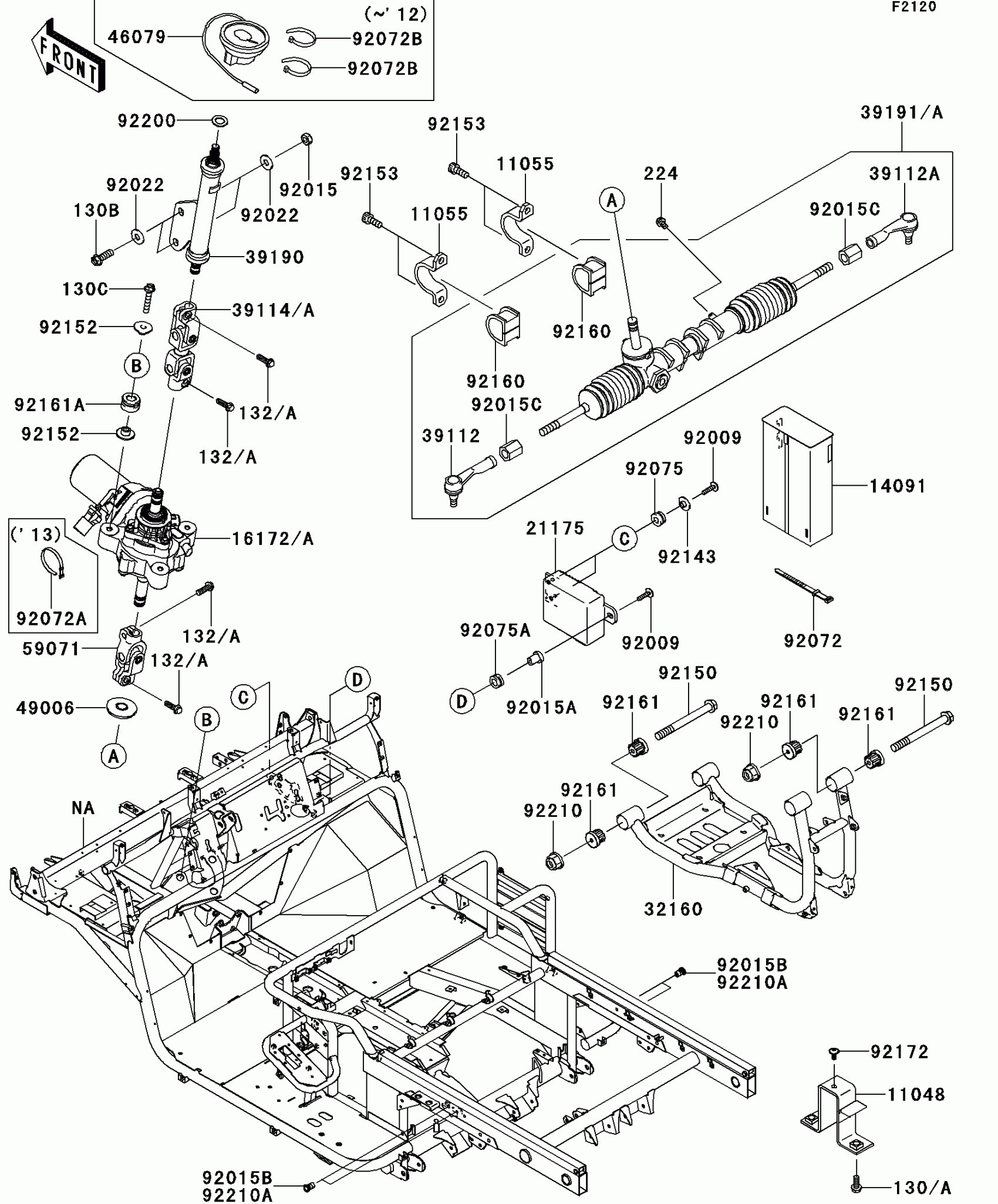
32160
FRAME-COMP,RR
32160-0301
Unavailable
39114
SHAFT-COMP-STRG
39114-0308
Unavailable
39191A
GEAR-ASSY-STEERING
39191-0016
Unavailable
