- Partiron
- OEM Parts
- Kawasaki
- side-x-side
- 2013
- MULE™ 4010 DIESEL 4x4
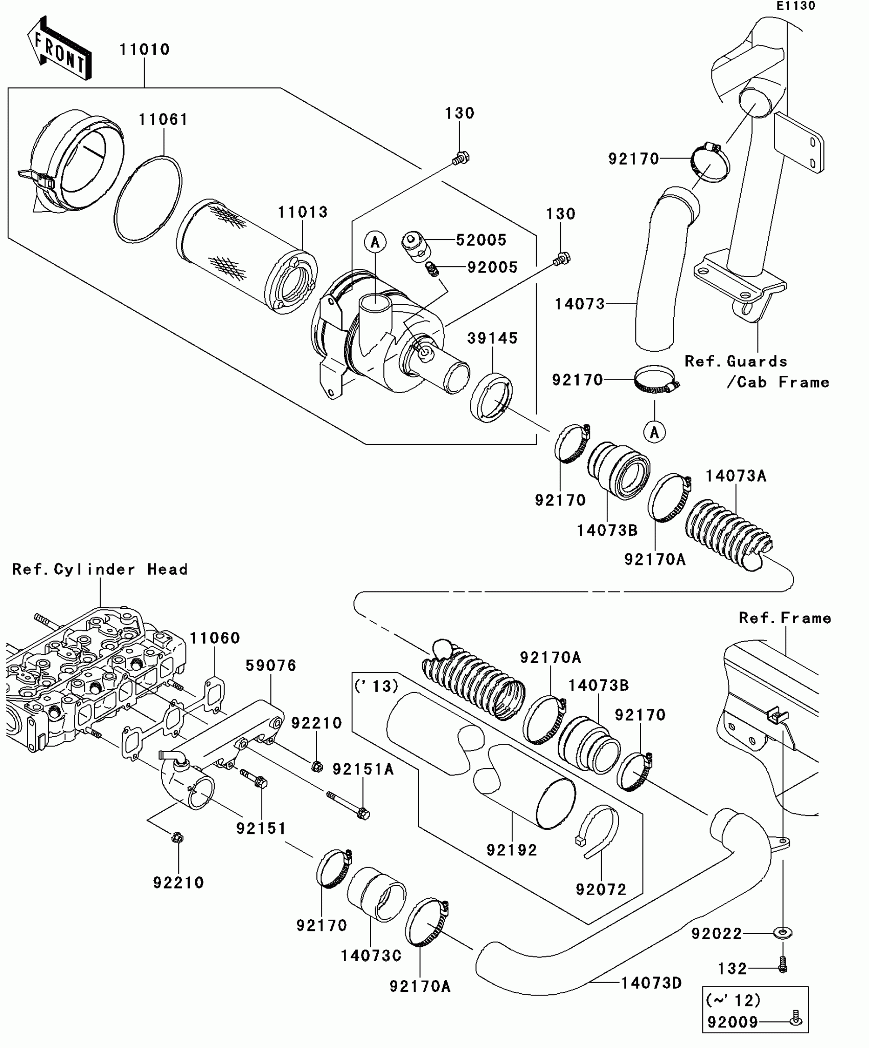
Air Cleaner
Kawasaki MULE™ 4010 DIESEL 4x4 Air Cleaner Diagram
#
Description
Price
92009
SCREW,6X16
92009-1621
Unavailable
Air Cleaner
#
92009
92009-1621
Unavailable
Edit ride
