Partiron

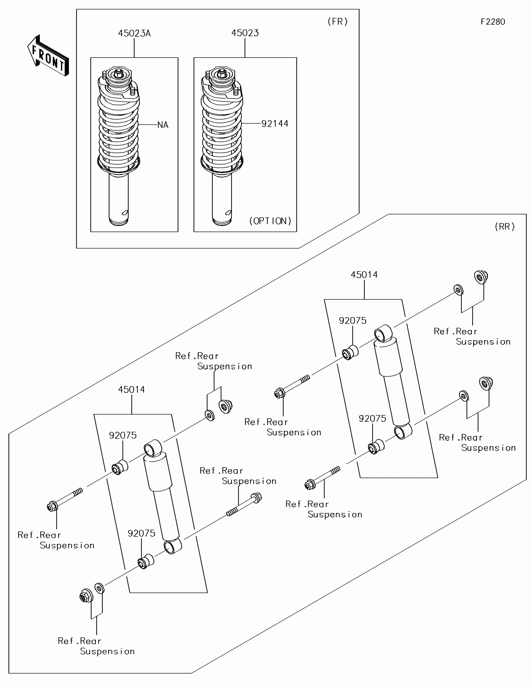
Kawasaki MULE™ 4010 4x4 SE Shock Absorber(s) Diagram

#

Description
Price

45014

SHOCKABSORBER,RR

45014-1435

$164.09

45023

STRUT,FR,K=3.13

45023-1006

$393.99

45023A

STRUT,FR,K=1.95

45023-7503

$427.47

92075

DAMPER,SHOCKABSORBER

92075-1784

$17.60

92144

SPRING,STRUT,K=30.7N/MM

92144-1919

$64.41