- Partiron
- OEM Parts
- Kawasaki
- side-x-side
- 2018
- MULE™ 4010 4x4 SE
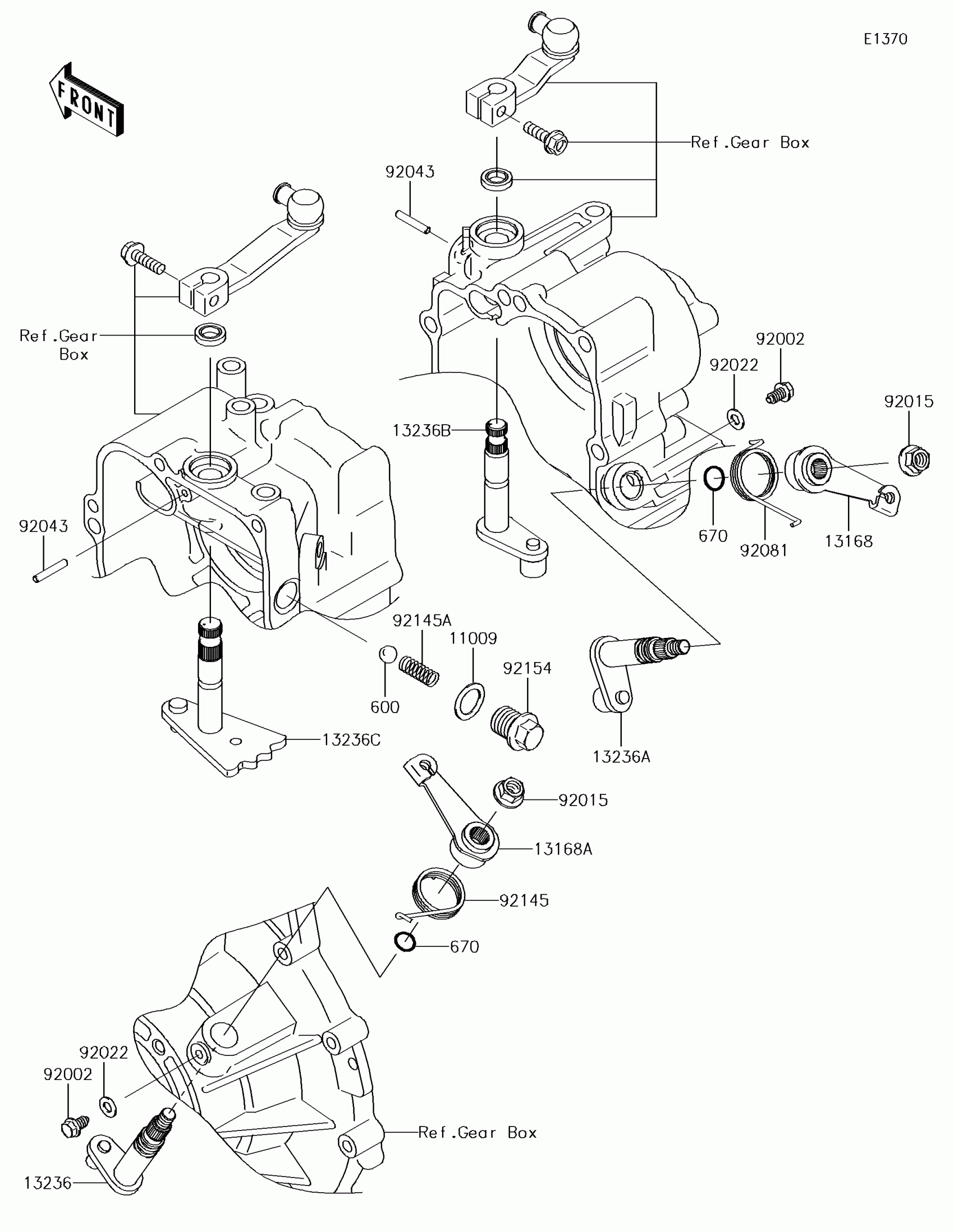
Gear Change Mechanism
Kawasaki MULE™ 4010 4x4 SE Gear Change Mechanism Diagram
#
Description
Price
Gear Change Mechanism
#
Edit ride
