- Partiron
- OEM Parts
- Kawasaki
- side-x-side
- 2009
- Mule 4010 4x4 Hardwoods Green HD
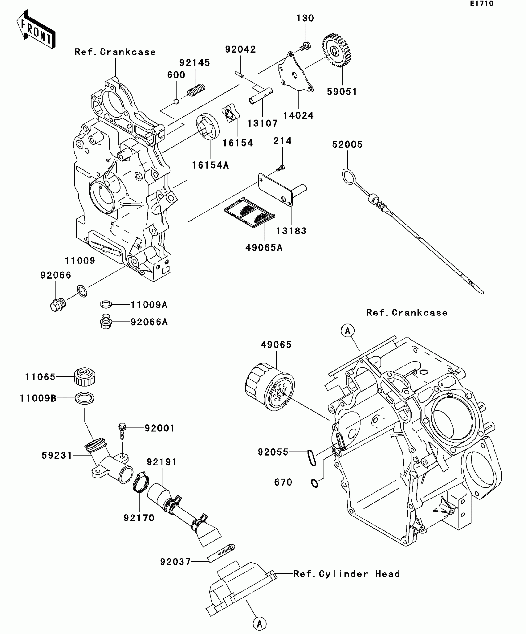
Oil Pump/Oil Filter
Kawasaki Mule 4010 4x4 Hardwoods Green HD Oil Pump/Oil Filter Diagram
#
Description
Price
13107
SHAFT
13107-2099
Unavailable
