- Partiron
- OEM Parts
- Kawasaki
- side-x-side
- 2009
- Mule 4010 4x4 Hardwoods Green HD
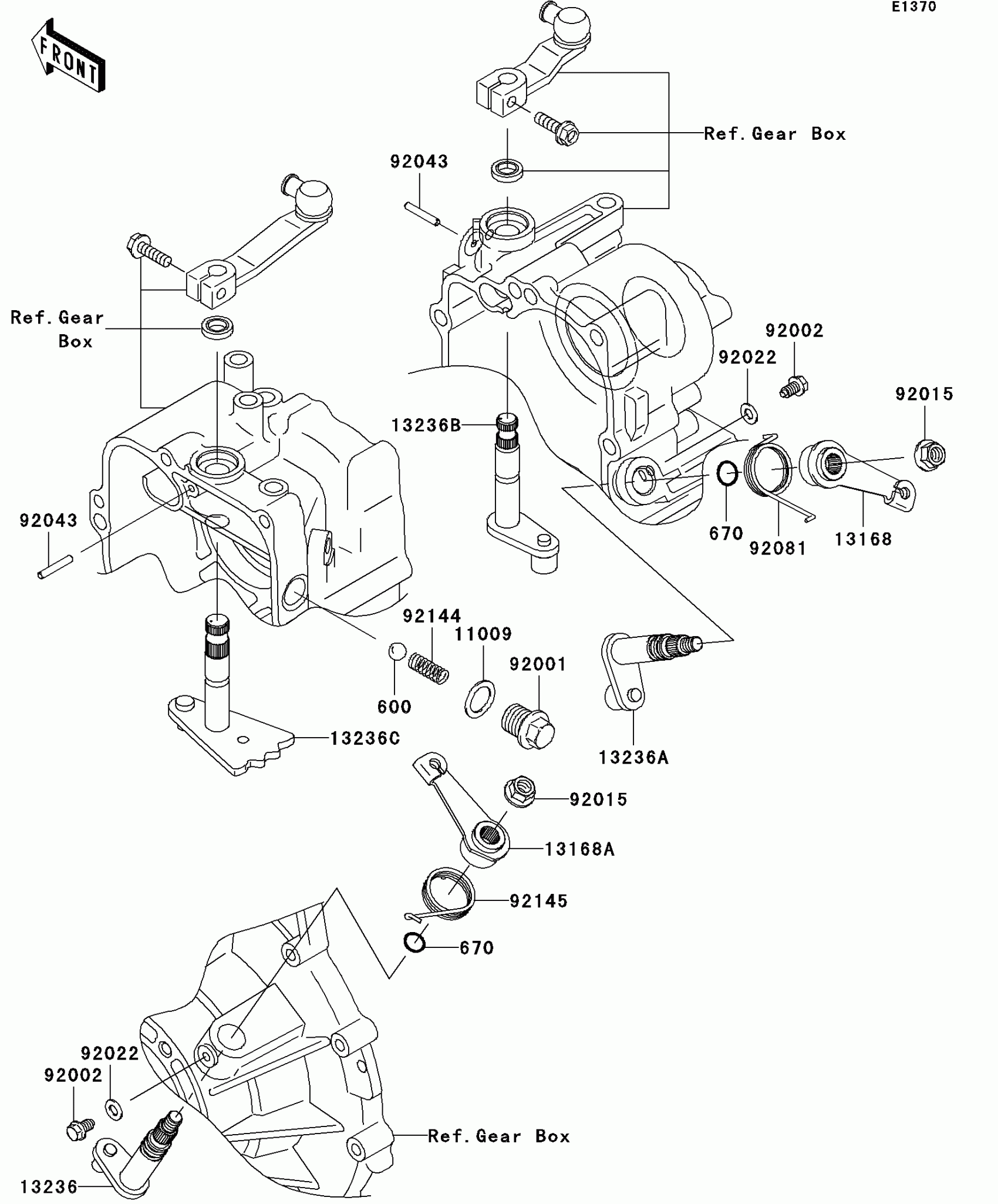
Gear Change Mechanism
Kawasaki Mule 4010 4x4 Hardwoods Green HD Gear Change Mechanism Diagram
#
Description
Price
Gear Change Mechanism
#
Edit ride
