Partiron

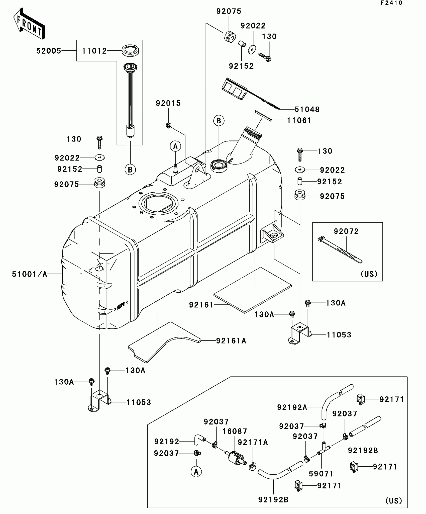
Kawasaki Mule 4010 4x4 Hardwoods Green HD Fuel Tank Diagram

#

Description
Price

11012

CAP,FUEL GAUGE

11012-1627

$17.07

11053

BRACKET

11053-7512

$9.16

11061

GASKET,FUEL TANK CAP

11061-0395

$5.85

51048

CAP-ASSY-TANK,FUEL

51048-0026

$12.72

52005

GAUGE,FUEL

52005-7501

Unavailable

92015

NUT,LOCK,FLANGED,6MM

92015-1675

$4.31

92022

WASHER,6.5X24X2

92022-1690

$3.92

92075

DAMPER

92075-1787

$6.57

92152

COLLAR,7.02X10.32X15.3

92152-7511

$1.70

92161

DAMPER,92X35X4.76

92161-7508

$8.78

92161A

DAMPER,92X19X4.76

92161-7513

$8.07

130

BOLT-FLANGED,6X30

130BA0630

$1.46

130A

BOLT-FLANGED,6X10

130BB0610

$2.49