- Partiron
- OEM Parts
- Kawasaki
- side-x-side
- 2009
- Mule 4010 4x4 Hardwoods Green HD
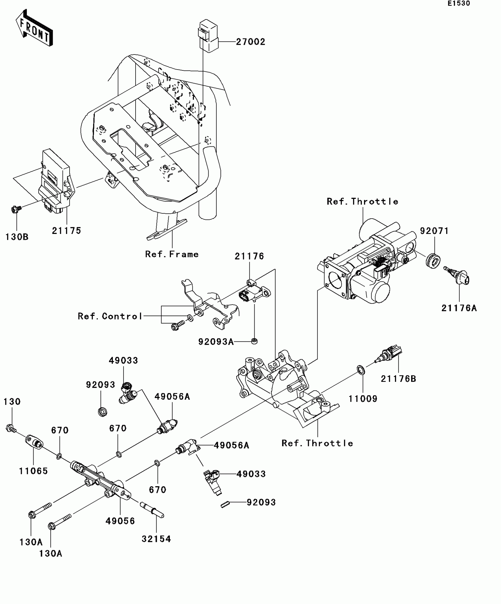
Fuel Injection
Kawasaki Mule 4010 4x4 Hardwoods Green HD Fuel Injection Diagram
#
Description
Price
32154
PIPE
32154-2084
Unavailable
