- Partiron
- OEM Parts
- Kawasaki
- side-x-side
- 2009
- Mule 4010 4x4 Hardwoods Green HD
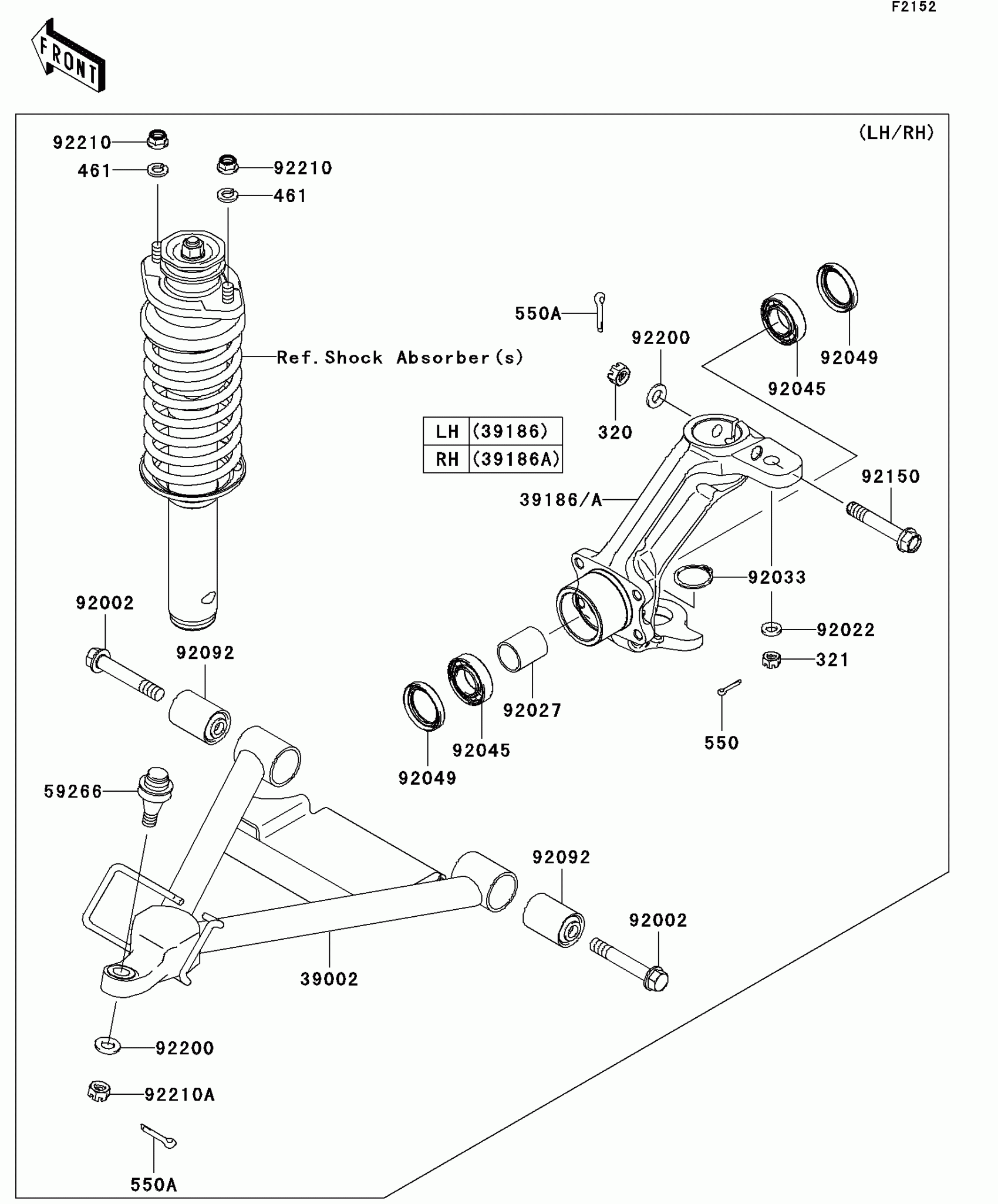
Front Suspension
Kawasaki Mule 4010 4x4 Hardwoods Green HD Front Suspension Diagram
#
Description
Price
92045
BEARING-BALL,60052RD
92045-0105
Unavailable
