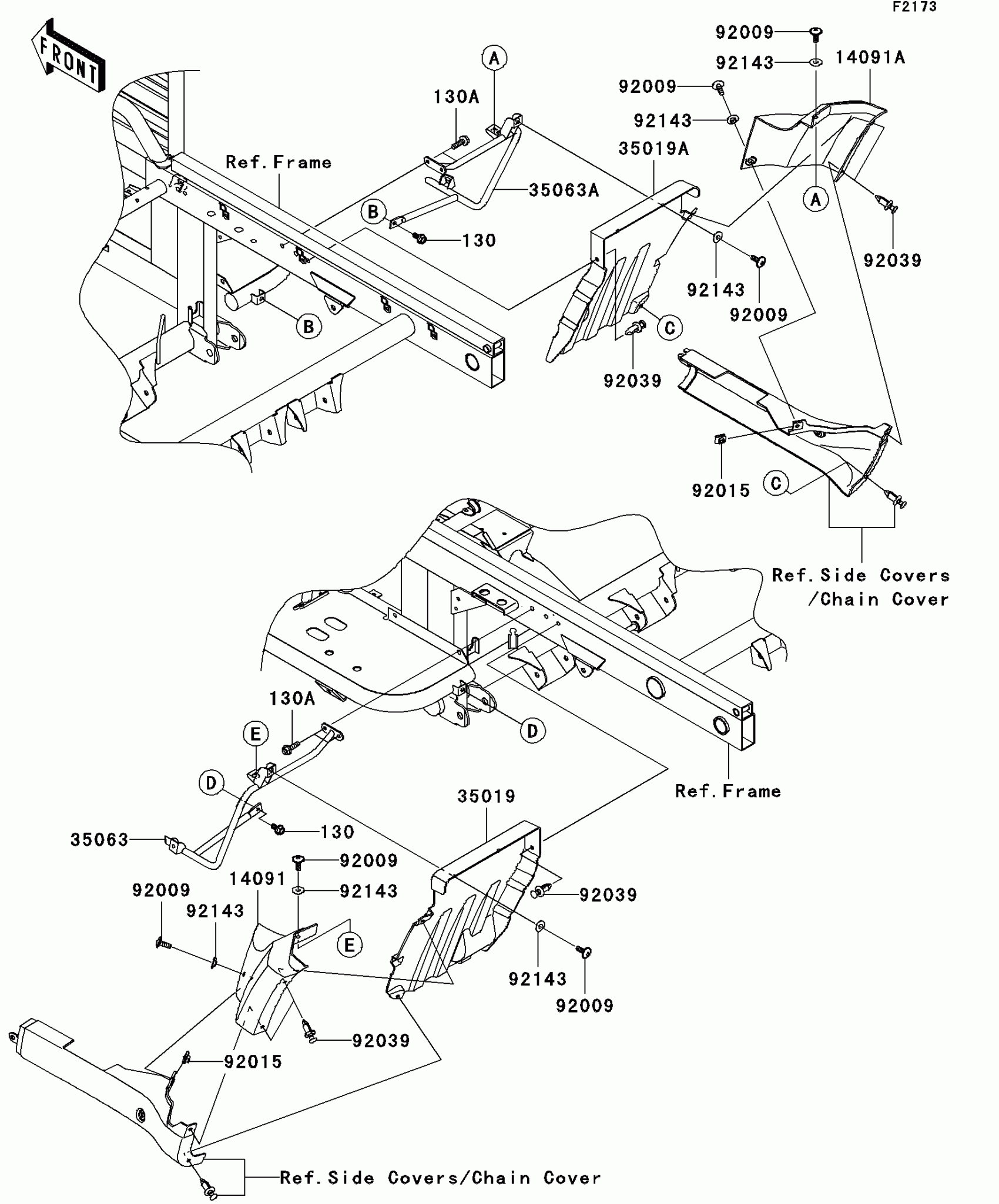
Partiron

Kawasaki Mule 4010 4x4 Hardwoods Green HD Flap Diagram

#

Description
Price

14091

COVER,REAR FENDER,LWR,LH,F.BLK

14091-0819-6Z

$22.70

14091A

COVER,REAR FENDER,LWR,RH,F.BLK

14091-0820-6Z

$22.70

35019

FLAP,RR,LH

35019-0066

$89.68

35019A

FLAP,RR,RH

35019-0067

$89.68

35063

STAY,RR,LH

35063-0451

$48.45

35063A

STAY,RR,RH

35063-0452

$48.45

92009

SCREW,6X16

92009-1621

Unavailable

92015

NUT,CLAMP,6MM

92015-1678

$5.52

92039

RIVET

92039-1229

$1.19

92143

COLLAR

92143-1087

$4.31

130

BOLT-FLANGED,6X14

130BB0614

$2.49

130A

BOLT-FLANGED,6X20

130BB0620

$0.46