- Partiron
- OEM Parts
- Kawasaki
- side-x-side
- 2012
- MULE™ 4010 4x4
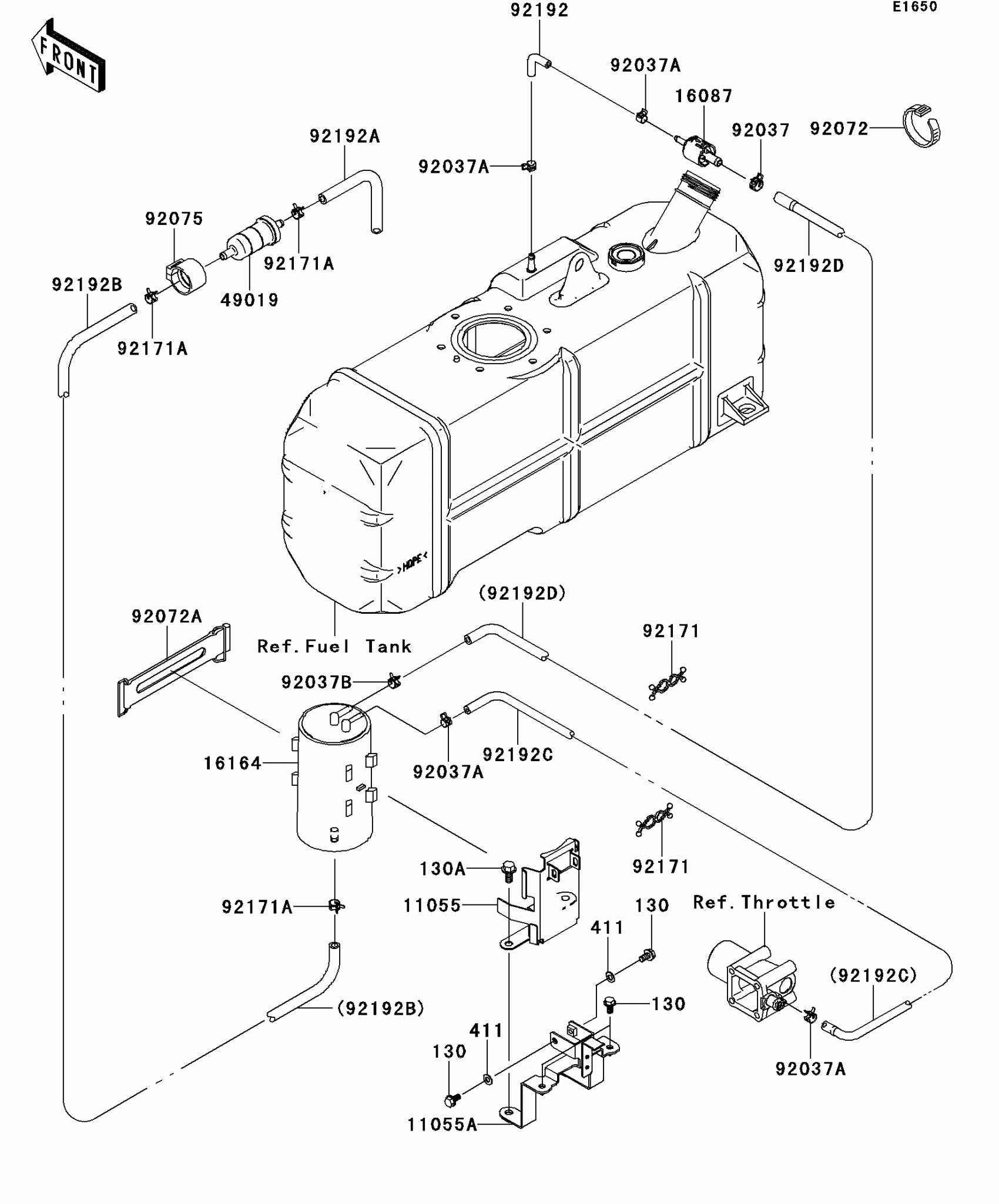
Fuel Evaporative System(M9F/MAF)
Kawasaki MULE™ 4010 4x4 Fuel Evaporative System(M9F/MAF) Diagram
#
Description
Price
16164
CANISTER
16164-0007
Unavailable
