- Partiron
- OEM Parts
- Kawasaki
- side-x-side
- 2013
- MULE™ 4010 4x4
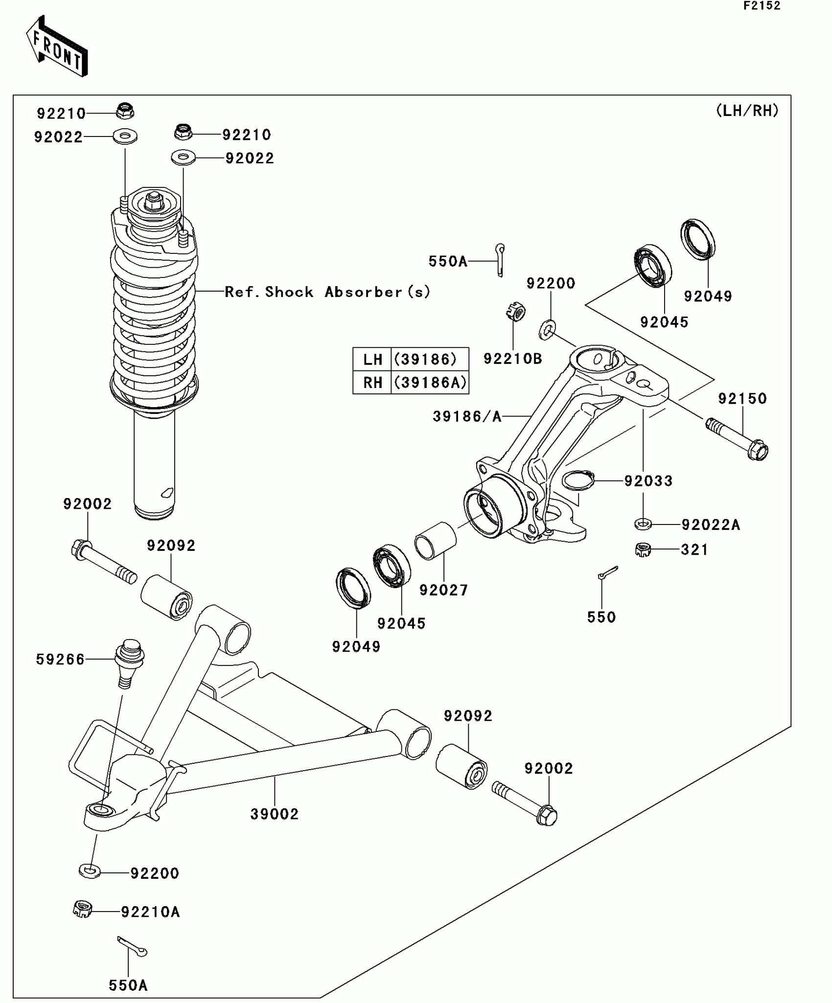
Front Suspension
Kawasaki MULE™ 4010 4x4 Front Suspension Diagram
#
Description
Price
92045
BEARING-BALL,60052RD
92045-0105
Unavailable
