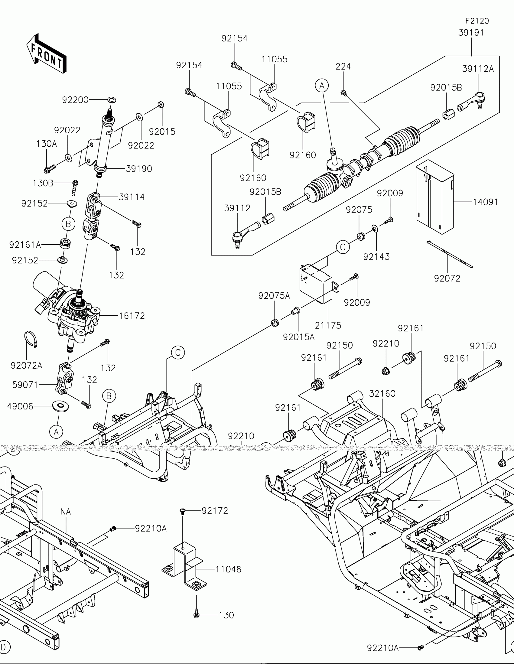
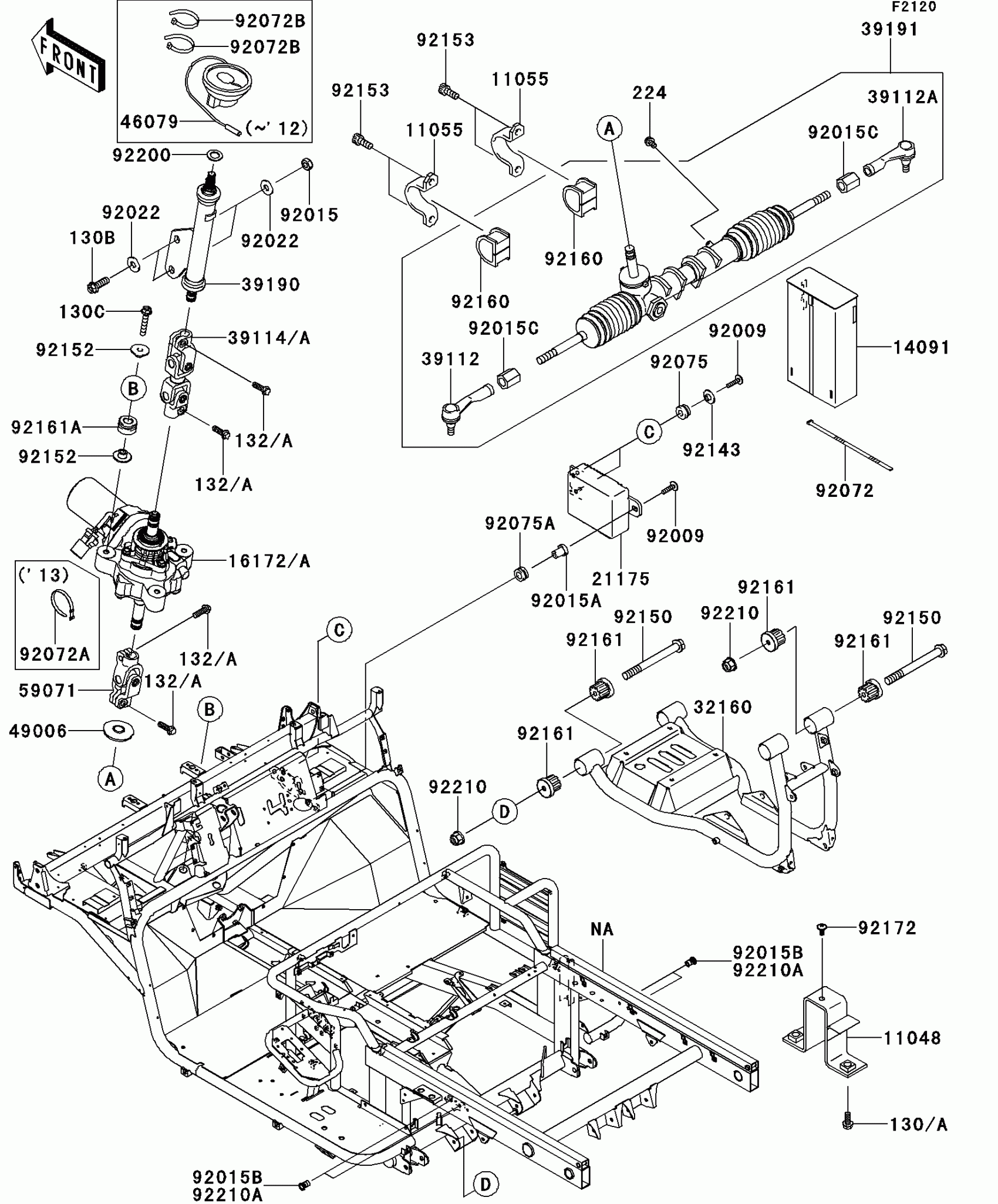
Kawasaki MULE™ 4010 4x4 Frame Diagram
#
Description
Price
32160
FRAME-COMP,RR
32160-0004
Unavailable
39114
SHAFT-COMP-STRG
39114-0308
Unavailable
39191
GEAR-ASSY-STEERING
39191-0016
Unavailable
