Partiron

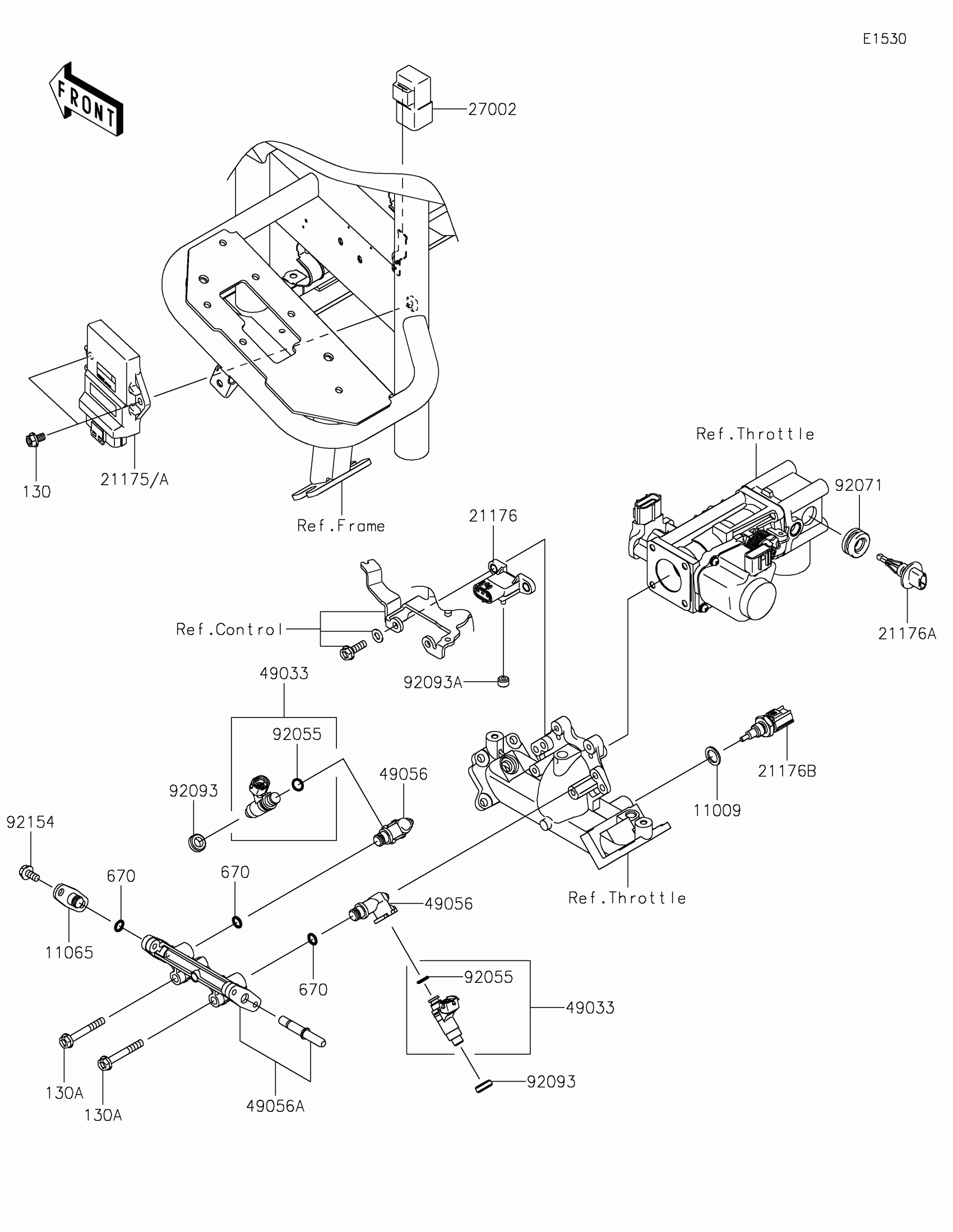
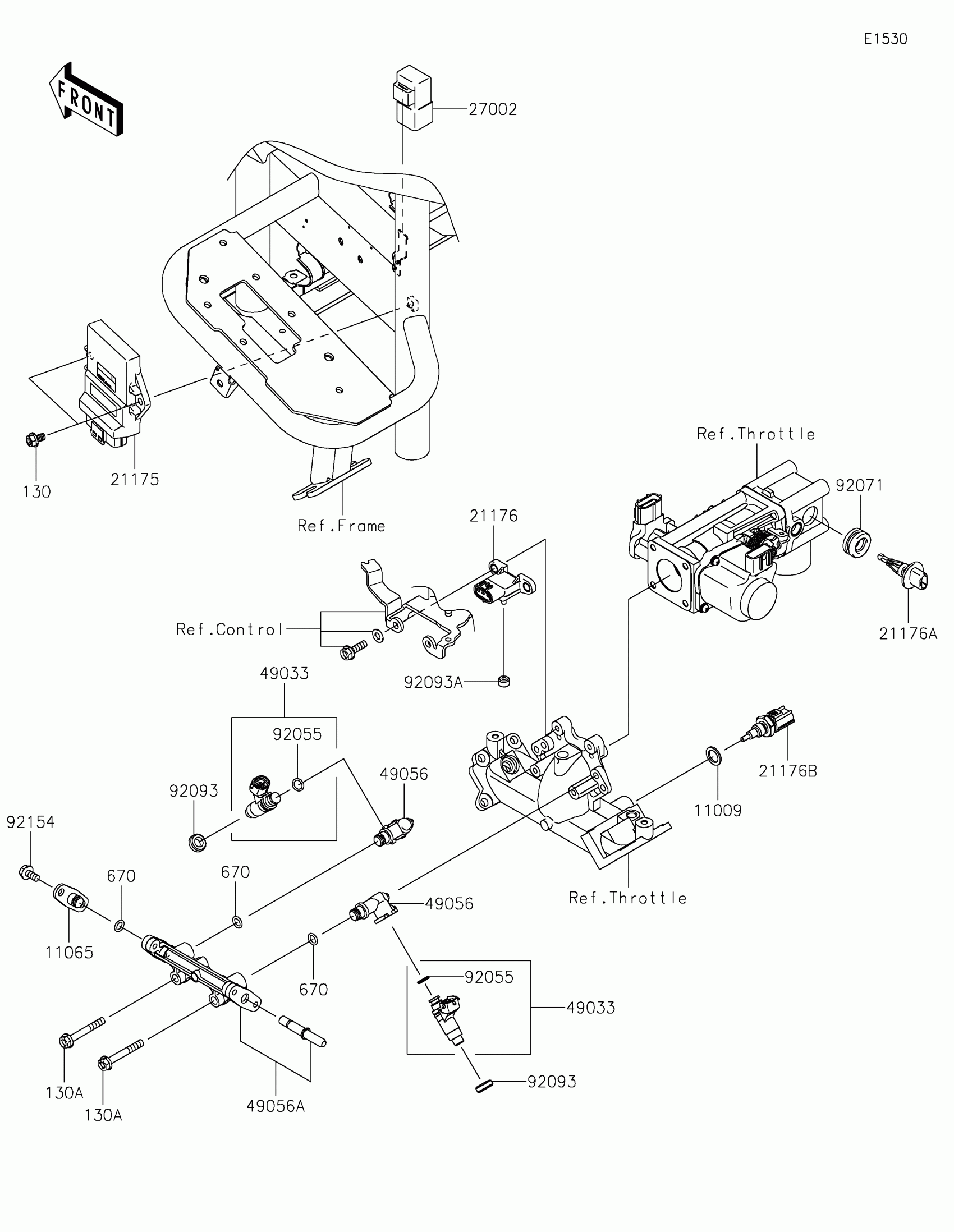
Kawasaki MULE™ 4010 4x4 FE Fuel Injection Diagram

#

Description
Price

11009

GASKET,12.5X18X1.5

11009-1376

$1.85

11065

CAP

11065-2129

$16.54

21175

CONTROL UNIT-ELECTRONIC,F.I.

21175-1781

$861.42

21176

SENSOR,PRESSURE

21176-1095

$149.36

21176A

SENSOR,AIR TEMP

21176-2106

$25.15

21176B

SENSOR

21176-2111

$41.00

27002

RELAY-ASSY

27002-1088

$42.06

49033

NOZZLE-INJECTION

49033-2060

$151.37

49056

PIPE-INJECTION

49056-2062

$25.22

49056A

PIPE-INJECTION

49056-6003

$111.51

92055

RING-O,INJECTION NOZZLE

92055-1622

$1.95

92071

GROMMET

92071-0781

$4.45

92093

SEAL

92093-0718

$2.53

92093A

SEAL

92093-2127

$1.63

92154

BOLT,6X12

92154-2938

$0.59

130

BOLT-FLANGED,6X16

130BB0616

$2.06

130A

BOLT-FLANGED,6X45

130CA0645

$1.47

670

O RING,8MM

670E1508

$1.82